1.硬件组成
K1音频部分主要由三个方面组成:
- HDMI 音频输出
- 3.5mm标准音频 插座
- 左右声道麦克风输入

图1 音频接口示意图
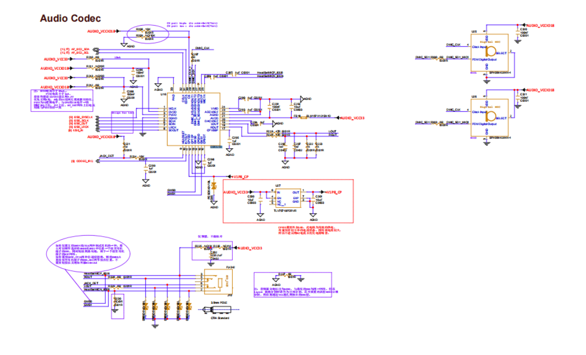
2.电路
虽然处理器内部集成了音频Codec,但是K1在设计的时候依然采用了外部Codec的做法,通过I2S接口跟ES8326B连接,实现音频的输入和输出。
ES8326B芯片是一款音频解码芯片,主要用于将数字音频信号转换成模拟音频信号。它使用了高性能的数字信号处理器和低功耗的功率放大器,能够实现高清晰度 音乐体验和高质量的通话需求。详细的规格书可以参考数据书册中的ES8326B部分。

图2 音频部分电路