产品介绍

SSOM-3588-X2是一款基于瑞芯微RK3588开发设计的小尺寸高性能核心模组。集成四核Cortex-A76和四核Cortex-A55 CPU,确保性能与能效的平衡。RK3588还具备高性能四通道外部存储器接口(LPDDR4/LPDDR4X/LPDDR5),可满足 从图像后期处理到高要求计算任务等应用场景的大内存带宽需求。包含LPDDR4X、eMMC、PMIC及四个板对板连接器。由于大部分SoC信号可通过板对板连接器传输,该SoC的大多数功能均可实现。
SSOM-3588-X2尺寸仅为47x39.4mm,小巧紧凑,适用于对尺寸要求较高的智能终端、工业控制、机器视觉、边缘计算等领域的方案开发。
功能框图


1 Board
• Board dimensions: 47mm x 39.4mm x 4.7mm (dimensional tolerance ±0.10mm)
• Component mounting surface: Maximum height: 2mm (Soc part RK3588)
• Connectors surface P/N: DF40C-100DP-0.4V(51)
• Board thickness: 1.2mm
• 10 layers of immersion gold PCB.
2 Holes For Fixing The Board
• Holes size: Hole diameter: 1.6mm
• Pad outer diameter: 3.175mm
• Holes position

Figure 4: Holes position on top-side
All dimension is mm
3 Connectors Position

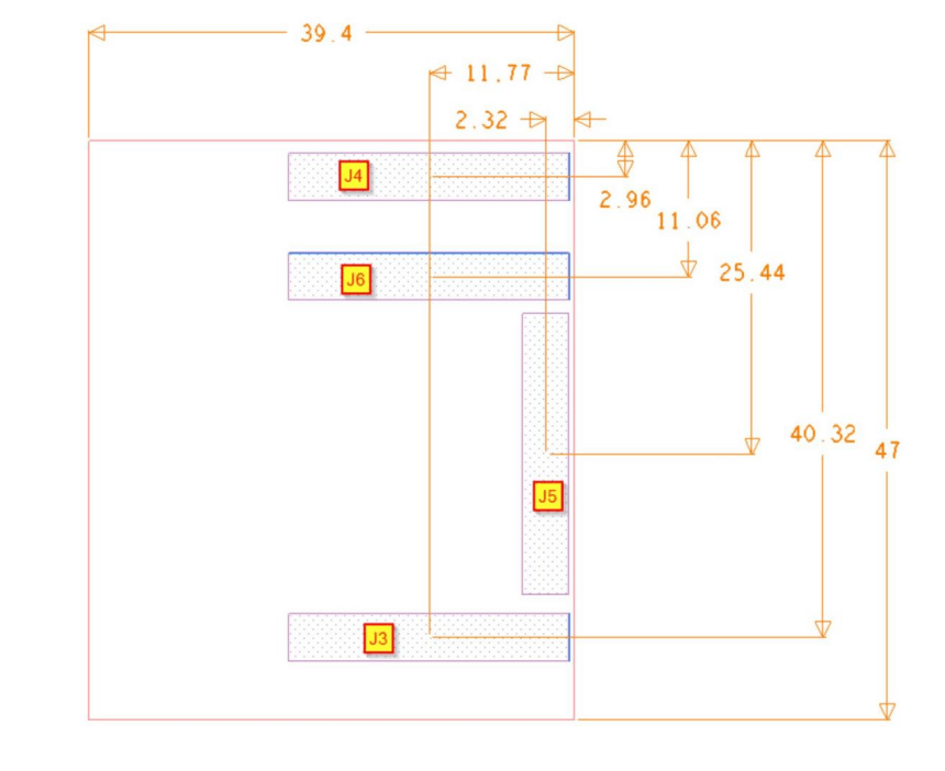
Figure 5: Connectors position on bottom-side All dimension is mm
The SoM board connectors used DF40C-100DP-0.4V(51) and the corresponding carrier board connector is DF40HC(3.0)-100DS-0.4V(58)
These model numbers suggest that these connectors are part of Hirose Electric Co's DF40 series, which are known for their compact size and high reliability in board-to-board connection.
4 Main Components
• Part location

Figure 6: Parts position on top-side All dimension is mm
• Part Height
U1000: 2mm (Soc part RK3588)
U2, U6: 0.8 to 1mm (RAM LPDDR4X)
U5: 0.9mm (PMIC)
U17: 1.25mm
L1, L2, L4: 1.2mm
L2100, L2102, L2104, L2106, L2108, L2109: 1mm
L2101, L2103, L2105, L2107: 1.2mm
引脚定义
Note: Pin Type Symbol Definitions
| Symbol | Description |
|---|---|
| I | Input |
| O | Output |
| I/O | Input/Output |
| AI | Analog Input |
| AO | Analog Output |
| AI/O | Analog Input/Output |
| PI | Power Supply |
| PO | Power Output |
| SOM | System on module |
Table 1: J3 Connector Interface Pin Definition
| Pin Number | Signal Name | Signal Type | IOVoltage | Main IC | IC Pin Number | IC Pin Name |
|---|---|---|---|---|---|---|
| 1(J3) | GND | PI | 0V | |||
| 2(J3) | GPIO1_A7 | I/O | 1.8V | RK3588 | C25 | PDM1_SDI0_M1/PCIE30X1_1_PERSTN_M2/PWM3 _IR_M3/SPI2_CS0_M0/GPIO1_A7_u |
| 3(J3) | GPIO1_A6 | I/O | 1.8V | RK3588 | C24 | HDMI_TX1_HPD_M0/SPI2_CLK_M0/GPIO1_A6_d |
| 4(J3) | GPIO3_D1 | I/O | 3.3V | RK3588 | AG23 | CIF_D13/PCIE20X1_2_PERSTN_M0/HDMI_RX_CE C_M1/UART4_TX_M1/PWM9_M2/SPI0_MISO_M3/ GPIO3_D1_d |
| 5(J3) | GPIO3_D2 | I/O | 3.3V | RK3588 | AG25 | CIF_D14/PCIE30X2_CLKREQN_M2/HDMI_RX_SCL _M1/I2C7_SCL_M2/UART9_RTSN_M2/SPI0_MOSI _M3/GPIO3_D2_d |
| 6(J3) | GPIO1_D4 | I/O | 1.8V | RK3588 | D28 | I2S0_SDI0/GPIO1_D4_d |
| 7(J3) | GPIO4_B7 | I/O | 3.3V | RK3588 | AJ28 | BT1120_D13/PCIE20X1_2_CLKREQN_M1/HDMI_T X0_SCL_M0/I2C5_SDA_M1/SPI3_CLK_M1/GPIO4_ B7_u |
| 8(J3) | UART2_TX_M0_DEBUG | I/O | 1.8V | RK3588 | P29 | I2S1_MCLK_M1/JTAG_TCK_M2/I2C1_SCL_M0/UA RT2_TX_M0/PCIE30X1_1_CLKREQN_M0/GPIO0_B 5_d |
| 9(J3) | GPIO3_D3 | I/O | 3.3V | RK3588 | AG24 | CIF_D15/PCIE30X2_WAKEN_M2/HDMI_RX_SDA_ M1/I2C7_SDA_M2/UART9_CTSN_M2/PWM10_M2/ SPI0_CLK_M3/GPIO3_D3_d |
| 10(J3) | UART2_RX_M0_DEBUG | I/O | 1.8V | RK3588 | R29 | I2S1_SCLK_M1/JTAG_TMS_M2/I2C1_SDA_M0/UA RT2_RX_M0/PCIE30X1_1_WAKEN_M0/GPIO0_B6_ d |
| 11(J3) | GPIO3_C6 | I/O | 3.3V | RK3588 | AG26 | CIF_D10/PCIE30X4_PERSTN_M2/HDMI_TX1_SCL_ M1/SPI3_MISO_M3/GPIO3_C6_u |
| 12(J3) | GPIO1_A0 | I/O | 1.8V | RK3588 | A24 | PCIE30X1_1_CLKREQN_M2/DP0_HPDIN_M2/I2C2 SDA_M4/UART6_RX_M1/SPI4_MISO_M2/GPIO1 A0_d |
| 13(J3) | TYPEC1_OTG_ID | I | RK3588 | AK8 | TYPEC1_USB20_OTG_ID | |
| 14(J3) | SDMMC0_D0 | I/O | RK3588 | AD2 | SDMMC_D0/PDM1_SDI3_M0/JTAG_TCK_M1/I2C3 _SCL_M4/UART2_TX_M1/PWM8_M1/GPIO4_D0_u | |
| 15(J3) | TYPEC1_USB20_VBUSDET | I | RK3588 | AL8 | TYPEC1_USB20_VBUSDET | |
| 16(J3) | SDMMC0_D1 | I/O | RK3588 | AD1 | SDMMC_D1/PDM1_SDI2_M0/JTAG_TMS_M1/I2C 3_SDA_M4/UART2_RX_M1/PWM9_M1/GPIO4_D1 _u | |
| 17(J3) | GND | PI | 0V | |||
| 18(J3) | SDMMC0_D3 | I/O | RK3588 | AF1 | SDMMC_D3/PDM1_SDI0_M0/JTAG_TMS_M0/I2C 8_SDA_M0/UART5_RTSN_M0/PWM10_M1/GPIO4 _D3_u | |
| 19(J3) | HDMI_RX_CLKP | AI | RK3588 | AF6 | HDMI_RX_CLKP | |
| 20(J3) | SDMMC0_D2 | I/O | RK3588 | AF2 | SDMMC_D2/PDM1_SDI1_M0/JTAG_TCK_M0/I2C8 _SCL_M0/UART5_CTSN_M0/GPIO4_D2_u | |
| 21(J3) | HDMI_RX_CLKN | AI | RK3588 | AF5 | HDMI_RX_CLKN | |
| 22(J3) | SD_CLK | I/O | RK3588 | AE1 | SDMMC_CLK/PDM1_CLK0_M0/TEST_CLKOUT_M 0/MCU_JTAG_TMS_M0/CAN0_RX_M1/UART5_TX _M0/GPIO4_D5_d | |
| 23(J3) | GND | PI | 0V | |||
| 24(J3) | SDMMC0_CMD | I/O | RK3588 | AE2 | SDMMC_CMD/PDM1_CLK1_M0/MCU_JTAG_TCK_ M0/CAN0_TX_M1/UART5_RX_M0/PWM7_IR_M1/ GPIO4_D4_u | |
| 25(J3) | HDMI_RX_D0N | AI | RK3588 | AG4 | HDMI_RX_D0N | |
| 26(J3) | GND | PI | 0V | |||
| 27(J3) | HDMI_RX_D0P | AI | RK3588 | AG5 | HDMI_RX_D0P | |
| 28(J3) | GPIO1_B2 | I/O | 1.8V | RK3588 | D26 | PDM1_SDI3_M1/PCIE30X4_PERSTN_M3/UART4_ RX_M2/SPI0_MOSI_M2/GPIO1_B2_d |
| 29(J3) | GND | PI | 0V | |||
| 30(J3) | GPIO0_C6 | I/O | 1.8V | RK3588 | T29 | I2S1_SDI1_M1/NPU_AVS/UART0_RTSN/PWM5_M 1/SPI0_CLK_M0/PCIE30X4_CLKREQN_M0/SATA_ CP_POD/GPIO0_C6_u |
| 31(J3) | HDMI_RX_D1N | AI | RK3588 | AH5 | HDMI_RX_D1N | |
| 32(J3) | GPIO0_C5 | I/O | 1.8V | RK3588 | P30 | I2S1_SDI0_M1/GPU_AVS/UART0_TX_M0/I2C4_SC L_M2/DP1_HPDIN_M1/PWM4_M0/PCIE30X1_0_P ERSTN_M0/GPIO0_C5_u |
| 33(J3) | HDMI_RX_D1P | AI | RK3588 | AH6 | HDMI_RX_D1P | |
| 34(J3) | GPIO0_B7 | I/O | 1.8V | RK3588 | T28 | I2S1_LRCK_M1/PWM0_M0/I2C2_SCL_M0/CAN0_ TX_M0/SPI0_CS1_M0/PCIE30X1_1_PERSTN_M0/ GPIO0_B7_d |
| 35(J3) | GND | PI | 0V | |||
| 36(J3) | SDMMC_DET/GPIO0_A4_ U | I/O | RK3588 | P31 | SDMMC_DET/GPIO0_A4_u | |
| 37(J3) | HDMI_RX_D2N | AI | RK3588 | AJ4 | HDMI_RX_D2N | |
| 38(J3) | GPIO3_C1 | I/O | 3.3V | RK3588 | Y27 | GMAC1_PPSCLK/PCIE30X2_BUTTON_RSTN/UART 7_RX_M1/SPI1_CLK_M1/GPIO3_C1_d |
| 39(J3) | HDMI_RX_D2P | AI | RK3588 | AJ5 | HDMI_RX_D2P | |
| 40(J3) | GPIO0_C4 | I/O | 1.8V | RK3588 | R30 | PDM0_CLK1_M1/PWM2_M0/UART0_RX_M0/I2C4 SDA_M2/DP0_HPDIN_M1/PCIE30X1_0_WAKEN M0/GPIO0_C4_d |
| 41(J3) | GND | PI | 0V | |||
| 42(J3) | GPIO3_D4 | I/O | 3.3V | RK3588 | AA27 | HDMI_TX0_HPD_M1/PCIE30X2_PERSTN_M2/HD MI_RX_HPDOUT_M1/MCU_JTAG_TCK_M1/UART9 _RX_M2/SPI0_CS0_M3/GPIO3_D4_d |
| 43(J3) | USB20_HOST0_DP | AI/O | RK3588 | AK6 | USB20_HOST0_DP | |
| 44(J3) | GPIO3_D5 | I/O | 3.3V | RK3588 | AB28 | PCIE30X4_BUTTON_RSTN/DP1_HPDIN_M0/MCU_ JTAG_TMS_M1/UART9_TX_M2/PWM11_IR_M3/S PI0_CS1_M3/GPIO3_D5_d |
| 45(J3) | USB20_HOST0_DM | AI/O | RK3588 | AL6 | USB20_HOST0_DM | |
| 46(J3) | GPIO1_B1 | I/O | 1.8V | RK3588 | D25 | PDM1_SDI2_M1/PCIE30X4_WAKEN_M3/SPI0_MIS O_M2/GPIO1_B1_d |
| 47(J3) | GND | PI | 0V | |||
| 48(J3) | GPIO1_B4 | I/O | 1.8V | RK3588 | E24 | PDM1_CLK0_M1/PCIE30X1_0_PERSTN_M2/UART 7_RX_M2/SPI0_CS0_M2/GPIO1_B4_u |
| 49(J3) | USB20_HOST1_DP | AI/O | RK3588 | AL7 | USB20_HOST1_DP | |
| 50(J3) | GPIO1_B6 | I/O | 1.8V | RK3588 | E26 | MIPI_CAMERA1_CLK_M0/SPDIF0_TX_M0/PCIE30 X2_WAKEN_M3/HDMI_RX_HPDOUT_M2/I2C5_SC L_M3/UART1_TX_M1/GPIO1_B6_u |
| 51(J3) | USB20_HOST1_DM | AI/O | RK3588 | AM7 | USB20_HOST1_DM | |
| 52(J3) | GPIO1_D7 | I/O | 1.8V | RK3588 | F25 | MIPI_CAMERA4_CLK_M0/PCIE30X2_CLKREQN_M 3/HDMI_RX_SDA_M2/I2C8_SDA_M2/UART1_CTS N_M1/PWM15_IR_M3/GPIO1_D7_u |
| 53(J3) | GND | PI | 0V | |||
| 54(J3) | GPIO1_D6 | I/O | 1.8V | RK3588 | F24 | MIPI_CAMERA3_CLK_M0/HDMI_RX_SCL_M2/I2C 8_SCL_M2/UART1_RTSN_M1/PWM14_M2/GPIO1 _D6_u |
| 55(J3) | GPIO1_D0 | I/O | 1.8V | RK3588 | F26 | I2S0_SDO1/I2C7_SCL_M0/UART6_TX_M2/SPI1_M ISO_M2/GPIO1_D0_d |
| 56(J3) | GPIO1_D2 | I/O | 1.8V | RK3588 | F28 | I2S0_SDO3/I2S0_SDI2/PDM0_SDI2_M0/I2C1_SCL _M4/UART4_TX_M0/PWM0_M1/SPI1_CLK_M2/GP IO1_D2_d |
| 57(J3) | GPIO1_D1 | I/O | 1.8V | RK3588 | F27 | I2S0_SDO2/I2S0_SDI3/PDM0_SDI1_M0/I2C7_SDA _M0/UART6_RX_M2/SPI1_MOSI_M2/GPIO1_D1_d |
| 58(J3) | GPIO1_B5 | I/O | 1.8V | RK3588 | E25 | PCIE30X1_0_CLKREQN_M2/UART7_TX_M2/SPI0_ CS1_M2/GPIO1_B5_u |
| 59(J3) | GPIO1_D5 | I/O | 1.8V | RK3588 | G26 | PDM0_SDI0_M0/SPI1_CS1_M2/GPIO1_D5_d |
| 60(J3) | GPIO1_D3 | I/O | 1.8V | RK3588 | E28 | I2S0_SDI1/PDM0_SDI3_M0/I2C1_SDA_M4/UART4 _RX_M0/PWM1_M1/SPI1_CS0_M2/GPIO1_D3_d |
| 61(J3) | GPIO1_C1 | I/O | 1.8V | RK3588 | G27 | I2C3_SCL_M0/UART3_TX_M0/SPI4_MOSI_M0/GPI O1_C1_z |
| 62(J3) | GPIO1_C0 | I/O | 1.8V | RK3588 | G29 | I2C3_SDA_M0/UART3_RX_M0/SPI4_MISO_M0/GP IO1_C0_z |
| 63(J3) | GPIO1_B3 | I/O | 1.8V | RK3588 | D27 | PDM1_CLK1_M1/PCIE30X1_0_WAKEN_M2/SATA0 _ACT_LED_M1/UART4_TX_M2/SPI0_CLK_M2/GPI O1_B3_d |
| 64(J3) | GND | PI | 0V | |||
| 65(J3) | GPIO1_C2 | I/O | 1.8V | RK3588 | F30 | I2S0_MCLK/I2C6_SDA_M1/UART3_RTSN/PWM3_I R_M2/SPI4_CLK_M0/GPIO1_C2_d |
| 66(J3) | HDMI0_TX_SBDP/EDP0_T X_AUXP | AI/O | RK3588 | AG2 | HDMI_TX0_SBDP/EDP_TX0_AUXP | |
| 67(J3) | GPIO3_C4 | I/O | 3.3V | RK3588 | AH26 | CIF_D8/FSPI_CS0N_M2/PCIE30X4_CLKREQN_M2/ HDMI_TX1_CEC_M2/CAN2_RX_M0/UART5_TX_M 1/SPI3_CS0_M3/GPIO3_C4_u |
| 68(J3) | HDMI0_TX_SBDN/EDP0_T X_AUXN | AI/O | RK3588 | AG1 | HDMI_TX0_SBDN/EDP_TX0_AUXN | |
| 69(J3) | GPIO3_D0 | I/O | 3.3V | RK3588 | AH24 | CIF_D12/PCIE20X1_2_WAKEN_M0/HDMI_TX0_SD A_M2/I2C5_SDA_M0/UART4_RX_M1/PWM8_M2/S PI3_CLK_M3/GPIO3_D0_u |
| 70(J3) | GND | PI | 0V | |||
| 71(J3) | GPIO3_C5 | I/O | 3.3V | RK3588 | AH25 | CIF_D9/FSPI_CS1N_M2/PCIE30X4_WAKEN_M2/H DMI_TX1_SDA_M1/CAN2_TX_M0/UART5_RX_M1/ SPI3_CS1_M3/GPIO3_C5_u |
| 72(J3) | HDMI0_TX3P_PORT/EDP0 _TX_D3P | AO | RK3588 | AH3 | HDMI_TX0_D3P/EDP_TX0_D3P | |
| 73(J3) | SARADC_VIN5_HW_ID | AI | 1.8V | RK3588 | AK15 | SARADC_IN5 |
| 74(J3) | HDMI0_TX3N_PORT/EDP0 _TX_D3N | AO | RK3588 | AH2 | HDMI_TX0_D3N/EDP_TX0_D3N | |
| 75(J3) | GPIO4_B6 | I/O | 3.3V | RK3588 | AJ27 | BT1120_D12/PCIE30X4_PERSTN_M1/HDMI_RX_H PDOUT_M0/SATA0_ACT_LED_M0/I2C5_SCL_M1/ PWM13_M1/SPI3_MOSI_M1/GPIO4_B6_d |
| 76(J3) | GND | PI | 0V | |||
| 77(J3) | TYPEC0_OTG_ID | I | RK3588 | AL14 | TYPEC0_USB20_OTG_ID | |
| 78(J3) | HDMI0_TX0P_PORT/EDP0 _TX_D0P | AO | RK3588 | AJ2 | HDMI_TX0_D0P/EDP_TX0_D0P | |
| 79(J3) | TYPEC0_USB20_VBUSDET | I | RK3588 | AM14 | TYPEC0_USB20_VBUSDET | |
| 80(J3) | HDMI0_TX0N_PORT/EDP0 _TX_D0N | AO | RK3588 | AJ1 | HDMI_TX0_D0N/EDP_TX0_D0N | |
| 81(J3) | RTC_INT_L | I/O | 1.8V | RK3588 | L30 | SPI2_CS1_M2/I2C1_SCL_M1/UART0_RX_M1/GPI O0_B0_z |
| 82(J3) | GND | PI | 0V | |||
| 83(J3) | GPIO3_C7 | I/O | 3.3V | RK3588 | AJ24 | CIF_D11/PCIE20X1_2_CLKREQN_M0/HDMI_TX0_ SCL_M2/I2C5_SCL_M0/SPI3_MOSI_M3/GPIO3_C7 _u |
| 84(J3) | HDMI0_TX1P_PORT/EDP0 _TX_D1P | AO | RK3588 | AK3 | HDMI_TX0_D1P/EDP_TX0_D1P | |
| 85(J3) | GPIO3_C0 | I/O | 3.3V | RK3588 | Y29 | GMAC1_PPSTRIG/I2C3_SDA_M1/UART7_TX_M1/S PI1_MISO_M1/GPIO3_C0_d |
| 86(J3) | HDMI0_TX1N_PORT/EDP0 _TX_D1N | AO | RK3588 | AK2 | HDMI_TX0_D1N/EDP_TX0_D1N | |
| 87(J3) | BOOT_SARADC_IN0 | AI | 1.8V | RK3588 | AM16 | SARADC_IN0_BOOT |
| 88(J3) | GND | PI | 0V | |||
| 89(J3) | SARADC_VIN1_KEY/RECO VERY | AI | 1.8V | RK3588 | AL16 | SARADC_IN1 |
| 90(J3) | HDMI0_TX2P_PORT/EDP0 _TX_D2P | AO | RK3588 | AL2 | HDMI_TX0_D2P/EDP_TX0_D2P | |
| 91(J3) | SARADC_IN3 | AI | 1.8V | RK3588 | AN17 | SARADC_IN3 |
| 92(J3) | HDMI0_TX2N_PORT/EDP0 _TX_D2N | AO | RK3588 | AL1 | HDMI_TX0_D2N/EDP_TX0_D2N | |
| 93(J3) | SARADC_IN2 | AI | 1.8V | RK3588 | AK16 | SARADC_IN2 |
| 94(J3) | GND | PI | 0V | |||
| 95(J3) | SARADC_IN6 | AI | 1.8V | RK3588 | AL17 | SARADC_IN6 |
| 96(J3) | HDMI1_TX_SBDN/EDP1_T X_AUXN | AI/O | RK3588 | AP2 | HDMI_TX1_SBDN/EDP_TX1_AUXN | |
| 97(J3) | SARADC_IN7 | AI | 1.8V | RK3588 | AK17 | SARADC_IN7 |
| 98(J3) | HDMI1_TX_SBDP/EDP1_T X_AUXP | AI/O | RK3588 | AN2 | HDMI_TX1_SBDP/EDP_TX1_AUXP | |
| 99(J3) | SARADC_IN4 | AI | 1.8V | RK3588 | AM17 | SARADC_IN4 |
| 100(J3) | GND | PI | 0V |
Table 2: J4 Connector Interface Pin Definition
| PinNumber | Signal Name | Signal Type | IOVoltage | Main IC | IC Pin Number | IC Pin Name |
|---|---|---|---|---|---|---|
| 1(J4) | VCC4V0_SYS | PI | 4.0V | |||
| 2(J4) | VCC4V0_SYS | PI | 4.0V | |||
| 3(J4) | VCC4V0_SYS | PI | 4.0V | |||
| 4(J4) | VCC4V0_SYS | PI | 4.0V | |||
| 5(J4) | VCC4V0_SYS | PI | 4.0V | |||
| 6(J4) | VCC4V0_SYS | PI | 4.0V | |||
| 7(J4) | VCC4V0_SYS | PI | 4.0V | |||
| 8(J4) | VCC4V0_SYS | PI | 4.0V | |||
| 9(J4) | VCC4V0_SYS | PI | 4.0V | |||
| 10(J4) | VCC4V0_SYS | PI | 4.0V | |||
| 11(J4) | VCC4V0_SYS | PI | 4.0V | |||
| 12(J4) | VCC4V0_SYS | PI | 4.0V | |||
| 13(J4) | VCC4V0_SYS | PI | 4.0V | |||
| 14(J4) | VCC4V0_SYS | PI | 4.0V | |||
| 15(J4) | VCC4V0_SYS | PI | 4.0V | |||
| 16(J4) | VCC4V0_SYS | PI | 4.0V | |||
| 17(J4) | VCC4V0_SYS | PI | 4.0V | |||
| 18(J4) | VCC4V0_SYS | PI | 4.0V | |||
| 19(J4) | VCC4V0_SYS | PI | 4.0V | |||
| 20(J4) | VCC4V0_SYS | PI | 4.0V | |||
| 21(J4) | GND | PI | 0V | |||
| 22(J4) | VCC_1V8_S0 | PO | 1.8V | |||
| 23(J4) | PCIE30_PORT0_TX1P | AO | RK3588 | C33 | PCIE30_PORT0_TX1P | |
| 24(J4) | VCC_1V8_S0 | PO | 1.8V | |||
| 25(J4) | PCIE30_PORT0_TX1N | AO | RK3588 | C34 | PCIE30_PORT0_TX1N | |
| 26(J4) | VCC_3V3_S0 | PO | 3.3V | |||
| 27(J4) | GND | PI | 0V | |||
| 28(J4) | VCC_3V3_S0 | PO | 3.3V | |||
| 29(J4) | PCIE30_PORT0_RX1N | AI | RK3588 | F33 | PCIE30_PORT0_RX1N | |
| 30(J4) | GND | PI | 0V | |||
| 31(J4) | PCIE30_PORT0_RX1P | AI | RK3588 | F32 | PCIE30_PORT0_RX1P | |
| 32(J4) | PCIE30_PORT0_RX0N | AI | RK3588 | G34 | PCIE30_PORT0_RX0N | |
| 33(J4) | GND | PI | 0V | |||
| 34(J4) | PCIE30_PORT0_RX0P | AI | RK3588 | G33 | PCIE30_PORT0_RX0P | |
| 35(J4) | PMIC_EXT_EN_OUT | O | MAX 4V | |||
| 36(J4) | GND | PI | 0V | |||
| 37(J4) | GPIO1_A4 | I/O | 1.8V | RK3588 | B25 | HDMI_TX1_SCL_M2/SPI2_MISO_M0/GPIO1_A4_d |
| 38(J4) | PCIE20_1_RXN/SATA30_1 _RXN | AI | RK3588 | J34 | PCIE20_1_RXN/SATA30_1_RXN | |
| 39(J4) | GPIO1_A1 | I/O | 1.8V | RK3588 | A25 | PCIE30X1_1_WAKEN_M2/DP1_HPDIN_M2/SATA1 _ACT_LED_M1/I2C2_SCL_M4/UART6_TX_M1/SPI 4_MOSI_M2/GPIO1_A1_d |
| 40(J4) | PCIE20_1_RXP/SATA30_1 _RXP | AI | RK3588 | J33 | PCIE20_1_RXP/SATA30_1_RXP | |
| 41(J4) | GPIO1_B7 | I/O | 1.8V | RK3588 | E27 | MIPI_CAMERA2_CLK_M0/SPDIF1_TX_M0/PCIE30 X2_PERSTN_M3/HDMI_RX_CEC_M2/SATA2_ACT_ LED_M1/I2C5_SDA_M3/UART1_RX_M1/PWM13_ M2/GPIO1_B7_u |
| 42(J4) | GND | PI | 0V | |||
| 43(J4) | GPIO1_A2 | I/O | 1.8V | RK3588 | A26 | VOP_POST_EMPTY/I2C4_SDA_M3/UART6_RTSN_ M1/PWM0_M2/SPI4_CLK_M2/GPIO1_A2_d |
| 44(J4) | ETH1_REFCLKO_25M | I/O | RK3588 | AH27 | ETH1_REFCLKO_25M/MIPI_CAMERA1_CLK_M1/I2 C4_SCL_M0/GPIO3_A6_d | |
| 45(J4) | GPIO1_A5 | I/O | 1.8V | RK3588 | B26 | HDMI_TX0_HPD_M0/SPI2_MOSI_M0/GPIO1_A5_d |
| 46(J4) | GMAC1_RXD2 | I/O | RK3588 | AD27 | GMAC1_RXD2/SDIO_D2_M1/I2S3_LRCK/AUDDSM _LP/FSPI_D2_M2/UART8_TX_M1/SPI4_CLK_M1/G PIO3_A2_u | |
| 47(J4) | GPIO1_A3 | I/O | 1.8V | RK3588 | A27 | HDMI_TX1_SDA_M2/I2C4_SCL_M3/UART6_CTSN _M1/PWM1_M2/SPI4_CS0_M2/GPIO1_A3_d |
| 48(J4) | GMAC1_RXDV_CRS | I/O | RK3588 | AH29 | GMAC1_RXDV_CRS/MIPI_CAMERA4_CLK_M1/UA RT2_TX_M2/PWM2_M1/GPIO3_B1_d | |
| 49(J4) | GPIO1_B0 | I/O | 1.8V | RK3588 | C27 | PDM1_SDI1_M1/PCIE30X4_CLKREQN_M3/SPI2_C S1_M0/GPIO1_B0_u |
| 50(J4) | GMAC1_RXCLK | I/O | RK3588 | AH30 | GMAC1_RXCLK/SDIO_CLK_M1/MIPI_CAMERA0_C LK_M1/FSPI_CLK_M2/I2C4_SDA_M0/UART8_CTS N_M1/GPIO3_A5_d | |
| 51(J4) | GND | PI | 0V | |||
| 52(J4) | GMAC1_RXD3 | I/O | RK3588 | AE27 | GMAC1_RXD3/SDIO_D3_M1/I2S3_SDO/AUDDSM_ RN/FSPI_D3_M2/UART8_RX_M1/SPI4_CS0_M1/G PIO3_A3_u | |
| 53(J4) | PCIE30_PORT1_REFCLKP_ IN | AI | RK3588 | A28 | PCIE30_PORT1_REF_CLKP | |
| 54(J4) | GMAC1_RXD0 | I/O | RK3588 | AG29 | GMAC1_RXD0/MIPI_CAMERA2_CLK_M1/PWM8_ M0/GPIO3_A7_u | |
| 55(J4) | PCIE30_PORT1_REFCLKN _IN | AI | RK3588 | B28 | PCIE30_PORT1_REF_CLKN | |
| 56(J4) | GMAC1_RXD1 | I/O | RK3588 | AG28 | GMAC1_RXD1/MIPI_CAMERA3_CLK_M1/PWM9_ M0/GPIO3_B0_u | |
| 57(J4) | GND | PI | 0V | |||
| 58(J4) | GND | PI | 0V | |||
| 59(J4) | PCIE30_PORT1_TX3N | AO | RK3588 | B29 | PCIE30_PORT1_TX1N | |
| 60(J4) | GPIO1_C6 | I/O | 1.8V | RK3588 | D29 | PDM0_CLK0_M0/I2C4_SDA_M4/PWM15_IR_M2/G PIO1_C6_d |
| 61(J4) | PCIE30_PORT1_TX3P | AO | RK3588 | C29 | PCIE30_PORT1_TX1P | |
| 62(J4) | GPIO1_C5 | I/O | 1.8V | RK3588 | D30 | I2S0_LRCK/I2C2_SCL_M3/UART4_RTSN/GPIO1_C 5_d |
| 63(J4) | GND | PI | 0V | |||
| 64(J4) | GPIO1_C3 | I/O | 1.8V | RK3588 | E31 | I2S0_SCLK/I2C6_SCL_M1/UART3_CTSN/PWM7_I R_M2/SPI4_CS0_M0/GPIO1_C3_d |
| 65(J4) | PCIE30_PORT1_TX2N | AO | RK3588 | A30 | PCIE30_PORT1_TX0N | |
| 66(J4) | GPIO1_C4 | I/O | 1.8V | RK3588 | E30 | PDM0_CLK1_M0/I2C2_SDA_M3/PWM11_IR_M2/S PI4_CS1_M0/GPIO1_C4_d |
| 67(J4) | PCIE30_PORT1_TX2P | AO | RK3588 | B30 | PCIE30_PORT1_TX0P | |
| 68(J4) | GPIO1_C7 | I/O | 1.8V | RK3588 | E29 | I2S0_SDO0/I2C4_SCL_M4/UART4_CTSN/GPIO1_C 7_d |
| 69(J4) | GND | PI | 0V | |||
| 70(J4) | GND | PI | 0V | |||
| 71(J4) | PCIE20_2_TXN | AO | RK3588 | H29 | PCIE20_2_TXN/SATA30_2_TXN/USB30_2_SSTXN | |
| 72(J4) | PCIE20_2_RXP | AI | RK3588 | J31 | PCIE20_2_RXP/SATA30_2_RXP/USB30_2_SSRXP | |
| 73(J4) | PCIE20_2_TXP | AO | RK3588 | H30 | PCIE20_2_TXP/SATA30_2_TXP/USB30_2_SSTXP | |
| 74(J4) | PCIE20_2_RXN | AI | RK3588 | J30 | PCIE20_2_RXN/SATA30_2_RXN/USB30_2_SSRXN | |
| 75(J4) | GND | PI | 0V | |||
| 76(J4) | GND | PI | 0V | |||
| 77(J4) | PCIE20_0_REFCLKP | AI/O | RK3588 | L32 | PCIE20_0_REFCLKP | |
| 78(J4) | GPIO4_A0 | I/O | 3.3V | RK3588 | AK30 | CIF_D0/BT1120_D0/I2S1_MCLK_M0/PCIE30X1_1_ CLKREQN_M1/UART9_RTSN_M1/SPI0_MISO_M1/ GPIO4_A0_d |
| 79(J4) | PCIE20_0_REFCLKN | AI/O | RK3588 | L33 | PCIE20_0_REFCLKN | |
| 80(J4) | GPIO4_A1 | I/O | 3.3V | RK3588 | AL30 | CIF_D1/BT1120_D1/I2S1_SCLK_M0/PCIE30X1_1_ WAKEN_M1/UART9_CTSN_M1/SPI0_MOSI_M1/GP IO4_A1_d |
| 81(J4) | GND | PI | 0V | |||
| 82(J4) | GPIO4_A5 | I/O | 3.3V | RK3588 | AK27 | CIF_D5/BT1120_D5/I2S1_SDI0_M0/PCIE30X1_0_P ERSTN_M1/I2C3_SDA_M2/UART3_TX_M2/SPI2_M OSI_M1/GPIO4_A5_d |
| 83(J4) | GPIO2_B4 | I/O | 1.8V | RK3588 | AB31 | GMAC0_PTP_REFCLK/FSPI_CS0N_M1/HDMI_TX1 _SDA_M0/I2C4_SDA_M1/UART7_RX_M0/GPIO2_B 4_u |
| 84(J4) | PWRON_L | I | ||||
| 85(J4) | GPIO2_A6 | I/O | 1.8V | RK3588 | AC32 | GMAC0_RXD2/SDIO_D0_M0/FSPI_D0_M1/UART6 _RX_M0/GPIO2_A6_u |
| 86(J4) | RESET_L | I | RK3588 | M31 | NPOR | |
| 87(J4) | GPIO2_A7 | I/O | 1.8V | RK3588 | AC31 | GMAC0_RXD3/SDIO_D1_M0/FSPI_D1_M1/UART6 _TX_M0/GPIO2_A7_u |
| 88(J4) | GPIO4_A3 | I/O | 3.3V | RK3588 | AL29 | CIF_D3/BT1120_D3/PCIE30X1_0_CLKREQN_M1/U ART0_TX_M2/GPIO4_A3_d |
| 89(J4) | GPIO2_C1 | I/O | 1.8V | RK3588 | AD32 | GMAC0_RXD0/I2C2_SCL_M1/UART1_CTSN_M0/S PI1_MISO_M0/GPIO2_C1_d |
| 90(J4) | GPIO4_A2 | I/O | 3.3V | RK3588 | AM29 | CIF_D2/BT1120_D2/I2S1_LRCK_M0/PCIE30X1_1_ PERSTN_M1/SPI0_CLK_M1/GPIO4_A2_d |
| 91(J4) | GPIO2_C5 | I/O | 1.8V | RK3588 | AE30 | CLK32K_OUT1/GPIO2_C5_d |
| 92(J4) | GPIO4_A4 | I/O | 3.3V | RK3588 | AL28 | CIF_D4/BT1120_D4/PCIE30X1_0_WAKEN_M1/I2C 3_SCL_M2/UART0_RX_M2/SPI2_MISO_M1/GPIO4 _A4_d |
| 93(J4) | GPIO2_C3 | I/O | 1.8V | RK3588 | AD30 | ETH0_REFCLKO_25M/I2S2_SDI_M0/I2C6_SCL_M 2/SPI1_CS0_M0/GPIO2_C3_d |
| 94(J4) | GPIO4_A6 | I/O | 3.3V | RK3588 | AL27 | CIF_D6/BT1120_D6/I2S1_SDI1_M0/PCIE30X2_CL KREQN_M1/I2C5_SCL_M2/UART3_RX_M2/SPI2_C LK_M1/GPIO4_A6_d |
| 95(J4) | GPIO2_B5 | I/O | 1.8V | RK3588 | AB30 | GMAC0_PPSTRIG/FSPI_CS1N_M1/HDMI_TX1_SC L_M0/I2C4_SCL_M1/UART7_TX_M0/GPIO2_B5_u |
| 96(J4) | GPIO4_A7 | I/O | 3.3V | RK3588 | AM27 | CIF_D7/BT1120_D7/I2S1_SDI2_M0/PCIE30X2_WA KEN_M1/I2C5_SDA_M2/SPI2_CS0_M1/GPIO4_A7 _d |
| 97(J4) | GPIO3_B2 | I/O | 3.3V | RK3588 | AE28 | GMAC1_TXER/I2S2_SDI_M1/UART2_RX_M2/PWM 3_IR_M1/GPIO3_B2_d |
| 98(J4) | GPIO4_B0 | I/O | 3.3V | RK3588 | AK26 | CIF_CLKIN/BT1120_CLKOUT/I2S1_SDI3_M0/PCIE3 0X2_PERSTN_M1/I2C6_SDA_M3/UART8_TX_M0/ SPI2_CS1_M1/GPIO4_B0_d |
| 99(J4) | GPIO4_C5 | I/O | 3.3V | RK3588 | AB33 | GMAC0_MDIO/I2C0_SCL_M1/UART9_CTSN_M0/P WM6_M2/SPI3_MOSI_M0/GPIO4_C5_d |
| 100(J4) | GND | PI | 0V |
Table 3: J5 Connector Interface Pin Definition
| PinNumber | Signal Name | Signal Type | IOVoltage | Main IC | IC Pin Number | IC Pin Name |
|---|---|---|---|---|---|---|
| 1(J5) | GND | PI | 0V | |||
| 2(J5) | GND | PI | 0V | |||
| 3(J5) | MIPI_DPHY0_RX_D1P | AI | RK3588 | AN30 | MIPI_DPHY0_RX_D1P/MIPI_CPHY0_RX_TRIO1_A | |
| 4(J5) | MIPI_DPHY0_RX_D2P | AI | RK3588 | AN33 | MIPI_DPHY0_RX_D2P/MIPI_CPHY0_RX_TRIO2_B | |
| 5(J5) | MIPI_DPHY0_RX_D1N | AI | RK3588 | AP30 | MIPI_DPHY0_RX_D1N/MIPI_CPHY0_RX_TRIO0_C | |
| 6(J5) | MIPI_DPHY0_RX_D2N | AI | RK3588 | AP32 | MIPI_DPHY0_RX_D2N/MIPI_CPHY0_RX_Trio2_A | |
| 7(J5) | GND | PI | 0V | |||
| 8(J5) | GND | PI | 0V | |||
| 9(J5) | MIPI_DPHY0_RX_D0P | AI | RK3588 | AN29 | MIPI_DPHY0_RX_D0P/MIPI_CPHY0_RX_TRIO0_B | |
| 10(J5) | MIPI_DPHY0_RX_CLKP | AI | RK3588 | AN32 | MIPI_DPHY0_RX_CLKP/MIPI_CPHY0_RX_TRIO1_ C | |
| 11(J5) | MIPI_DPHY0_RX_D0N | AI | RK3588 | AP29 | MIPI_DPHY0_RX_D0N/MIPI_CPHY0_RX_TRIO0_A | |
| 12(J5) | MIPI_DPHY0_RX_CLKN | AI | RK3588 | AP31 | MIPI_DPHY0_RX_CLKN/MIPI_CPHY0_RX_TRIO1_ B | |
| 13(J5) | GND | PI | 0V | |||
| 14(J5) | GND | PI | 0V | |||
| 15(J5) | MIPI_DPHY0_TX_D2N | AO | RK3588 | AP27 | MIPI_DPHY0_TX_D2N/MIPI_CPHY0_TX_TRIO2_A | |
| 16(J5) | MIPI_DPHY0_TX_D3P | AO | RK3588 | AN28 | MIPI_DPHY0_TX_D3P/NO_USE | |
| 17(J5) | MIPI_DPHY0_TX_D2P | AO | RK3588 | AN27 | MIPI_DPHY0_TX_D2P/MIPI_CPHY0_TX_TRIO2_B | |
| 18(J5) | MIPI_DPHY0_TX_D3N | AO | RK3588 | AP28 | MIPI_DPHY0_TX_D3N/MIPI_CPHY0_TX_TRIO2_C | |
| 19(J5) | GND | PI | 0V | |||
| 20(J5) | GND | PI | 0V | |||
| 21(J5) | MIPI_DPHY0_TX_CLKP | AO | RK3588 | AN26 | MIPI_DPHY0_TX_CLKP/MIPI_CPHY0_TX_TRIO1_C | |
| 22(J5) | GPIO4_B4 | GPIO | 3.3V | RK3588 | AL26 | CIF_CLKOUT/BT1120_D10/I2S1_SDO3_M0/PCIE30 X4_CLKREQN_M1/DP0_HPDIN_M0/SPDIF0_TX_M 1/UART9_TX_M1/PWM11_IR_M1/GPIO4_B4_u |
| 23(J5) | MIPI_DPHY0_TX_CLKN | AO | RK3588 | AP26 | MIPI_DPHY0_TX_CLKN/MIPI_CPHY0_TX_TRIO1_ B | |
| 24(J5) | GPIO4_B2 | GPIO | 3.3V | RK3588 | AK25 | CIF_HREF/BT1120_D8/I2S1_SDO1_M0/PCIE30X1_ 1_BUTTON_RSTN/I2C7_SCL_M3/UART8_RTSN_M 0/PWM14_M1/SPI0_CS0_M1/CAN1_RX_M1/GPIO4 _B2_u |
| 25(J5) | GND | PI | 0V | |||
| 26(J5) | GPIO4_B3 | GPIO | 3.3V | RK3588 | AM25 | CIF_VSYNC/BT1120_D9/I2S1_SDO2_M0/PCIE20X1 2_BUTTON_RSTN/I2C7_SDA_M3/UART8_CTSN M0/PWM15_IR_M1/CAN1_TX_M1/GPIO4_B3_u |
| 27(J5) | MIPI_DPHY0_TX_D1P | AO | RK3588 | AN25 | MIPI_DPHY0_TX_D1P/MIPI_CPHY0_TX_TRIO1_A | |
| 28(J5) | GPIO4_B1 | GPIO | 3.3V | RK3588 | AL24 | MIPI_CAMERA0_CLK_M0/SPDIF1_TX_M1/I2S1_S DO0_M0/PCIE30X1_0_BUTTON_RSTN/SATA2_AC T_LED_M0/I2C6_SCL_M3/UART8_RX_M0/SPI0_C S1_M1/GPIO4_B1_u |
| 29(J5) | MIPI_DPHY0_TX_D1N | AO | RK3588 | AP25 | MIPI_DPHY0_TX_D1N/MIPI_CPHY0_TX_TRIO0_C | |
| 30(J5) | GPIO4_C1 | GPIO | 3.3V | RK3588 | AK24 | BT1120_D15/SPDIF1_TX_M2/PCIE20X1_2_PERST N_M1/HDMI_TX0_CEC_M0/I2C8_SDA_M3/PWM6_ M1/SPI3_CS1_M1/GPIO4_C1_d |
| 31(J5) | GND | PI | 0V | |||
| 32(J5) | GND | PI | 0V | |||
| 33(J5) | MIPI_DPHY0_TX_D0P | AO | RK3588 | AN24 | MIPI_DPHY0_TX_D0P/MIPI_CPHY0_TX_TRIO0_B | |
| 34(J5) | MIPI_DPHY1_TX_D3N | AO | RK3588 | AP22 | MIPI_DPHY1_TX_D3N/MIPI_CPHY1_TX_TRIO2_C | |
| 35(J5) | MIPI_DPHY0_TX_D0N | AO | RK3588 | AP24 | MIPI_DPHY0_TX_D0N/MIPI_CPHY0_TX_TRIO0_A | |
| 36(J5) | MIPI_DPHY1_TX_D3P | AO | RK3588 | AN22 | MIPI_DPHY1_TX_D3P/NO_USE | |
| 37(J5) | GND | PI | 0V | |||
| 38(J5) | GND | PI | 0V | |||
| 39(J5) | MIPI_DPHY1_TX_D2P | AO | RK3588 | AN21 | MIPI_DPHY1_TX_D2P/MIPI_CPHY1_TX_TRIO2_B | |
| 40(J5) | MIPI_DPHY1_TX_CLKN | AO | RK3588 | AP20 | MIPI_DPHY1_TX_CLKN/MIPI_CPHY1_TX_TRIO1_ B | |
| 41(J5) | MIPI_DPHY1_TX_D2N | AO | RK3588 | AP21 | MIPI_DPHY1_TX_D2N/MIPI_CPHY1_TX_TRIO2_A | |
| 42(J5) | MIPI_DPHY1_TX_CLKP | AO | RK3588 | AN20 | MIPI_DPHY1_TX_CLKP/MIPI_CPHY1_TX_TRIO1_C | |
| 43(J5) | GND | PI | 0V | |||
| 44(J5) | GND | PI | 0V | |||
| 45(J5) | MIPI_DPHY1_TX_D1N | AO | RK3588 | AP19 | MIPI_DPHY1_TX_D1N/MIPI_CPHY1_TX_TRIO0_C | |
| 46(J5) | MIPI_DPHY1_TX_D0N | AO | RK3588 | AP18 | MIPI_DPHY1_TX_D0N/MIPI_CPHY1_TX_TRIO0_A | |
| 47(J5) | MIPI_DPHY1_TX_D1P | AO | RK3588 | AN19 | MIPI_DPHY1_TX_D1P/MIPI_CPHY1_TX_TRIO1_A | |
| 48(J5) | MIPI_DPHY1_TX_D0P | AO | RK3588 | AN18 | MIPI_DPHY1_TX_D0P/MIPI_CPHY1_TX_TRIO0_B | |
| 49(J5) | GND | PI | 0V | |||
| 50(J5) | GND | PI | 0V | |||
| 51(J5) | TYPEC0_SSTX2P/DP0_TX 3P | AO | RK3588 | AP16 | TYPEC0_SSTX2P/DP0_TX3P | |
| 52(J5) | TYPEC0_SSRX2P/DP0_TX 2P | AI/O | RK3588 | AN15 | TYPEC0_SSRX2P/DP0_TX2P | |
| 53(J5) | TYPEC0_SSTX2N/DP0_TX 3N | AO | RK3588 | AN16 | TYPEC0_SSTX2N/DP0_TX3N | |
| 54(J5) | TYPEC0_SSRX2N/DP0_TX 2N | AI/O | RK3588 | AP15 | TYPEC0_SSRX2N/DP0_TX2N | |
| 55(J5) | GND | PI | 0V | |||
| 56(J5) | GND | PI | 0V | |||
| 57(J5) | TYPEC1_SSRX2P/DP1_TX 2P | AI/O | RK3588 | AN10 | TYPEC1_SSRX2P/DP1_TX2P | |
| 58(J5) | TYPEC0_SSTX1N/DP0_TX 1N | AO | RK3588 | AN14 | TYPEC0_SSTX1N/DP0_TX1N | |
| 59(J5) | TYPEC1_SSRX2N/DP1_TX 2N | AI/O | RK3588 | AP10 | TYPEC1_SSRX2N/DP1_TX2N | |
| 60(J5) | TYPEC0_SSTX1P/DP0_TX 1P | AO | RK3588 | AP14 | TYPEC0_SSTX1P/DP0_TX1P | |
| 61(J5) | GND | PI | 0V | |||
| 62(J5) | GND | PI | 0V | |||
| 63(J5) | TYPEC1_SSTX1P/DP1_TX 1P | AO | RK3588 | AP9 | TYPEC1_SSTX1P/DP1_TX1P | |
| 64(J5) | TYPEC0_SSRX1P/DP0_TX 0P | AI/O | RK3588 | AN13 | TYPEC0_SSRX1P/DP0_TX0P | |
| 65(J5) | TYPEC1_SSTX1N/DP1_TX 1N | AO | RK3588 | AN9 | TYPEC1_SSTX1N/DP1_TX1N | |
| 66(J5) | TYPEC0_SSRX1N/DP0_TX 0N | AI/O | RK3588 | AP13 | TYPEC0_SSRX1N/DP0_TX0N | |
| 67(J5) | GND | PI | 0V | |||
| 68(J5) | GND | PI | 0V | |||
| 69(J5) | TYPEC1_SSRX1N/DP1_TX 0N | AI/O | RK3588 | AP8 | TYPEC1_SSRX1N/DP1_TX0N | |
| 70(J5) | TYPEC1_SSTX2P/DP1_TX 3P | AO | RK3588 | AP11 | TYPEC1_SSTX2P/DP1_TX3P | |
| 71(J5) | TYPEC1_SSRX1P/DP1_TX 0P | AI/O | RK3588 | AN8 | TYPEC1_SSRX1P/DP1_TX0P | |
| 72(J5) | TYPEC1_SSTX2N/DP1_TX 3N | AO | RK3588 | AN11 | TYPEC1_SSTX2N/DP1_TX3N | |
| 73(J5) | GND | PI | 0V | |||
| 74(J5) | GND | PI | 0V | |||
| 75(J5) | HDMI1_TX2P_PORT/EDP1 _TX_D2P | AO | RK3588 | AN6 | HDMI_TX1_D2P/EDP_TX1_D2P | |
| 76(J5) | TYPEC1_SBU2/DP1_AUXN | AI/O | RK3588 | AM10 | TYPEC1_SBU2/DP1_AUXN | |
| 77(J5) | HDMI1_TX2N_PORT/EDP1 _TX_D2N | AO | RK3588 | AP6 | HDMI_TX1_D2N/EDP_TX1_D2N | |
| 78(J5) | TYPEC1_SBU1/DP1_AUXP | AI/O | RK3588 | AL10 | TYPEC1_SBU1/DP1_AUXP | |
| 79(J5) | GND | PI | 0V | |||
| 80(J5) | GND | PI | 0V | |||
| 81(J5) | HDMI1_TX1P_PORT/EDP1 _TX_D1P | AO | RK3588 | AM5 | HDMI_TX1_D1P/EDP_TX1_D1P | |
| 82(J5) | TYPEC1_OTG_DM | AI/O | RK3588 | AL9 | TYPEC1_USB20_OTG_DM | |
| 83(J5) | HDMI1_TX1N_PORT/EDP1 _TX_D1N | AO | RK3588 | AN5 | HDMI_TX1_D1N/EDP_TX1_D1N | |
| 84(J5) | TYPEC1_OTG_DP | AI/O | RK3588 | AK9 | TYPEC1_USB20_OTG_DP | |
| 85(J5) | GND | PI | 0V | |||
| 86(J5) | GND | PI | 0V | |||
| 87(J5) | HDMI1_TX0P_PORT/EDP1 _TX_D0P | AO | RK3588 | AN4 | HDMI_TX1_D0P/EDP_TX1_D0P | |
| 88(J5) | TYPEC0_SBU2/DP0_AUXN | AI/O | RK3588 | AM15 | TYPEC0_SBU2/DP0_AUXN | |
| 89(J5) | HDMI1_TX0N_PORT/EDP1 _TX_D0N | AO | RK3588 | AP4 | HDMI_TX1_D0N/EDP_TX1_D0N | |
| 90(J5) | TYPEC0_SBU1/DP0_AUXP | AI/O | RK3588 | AL15 | TYPEC0_SBU1/DP0_AUXP | |
| 91(J5) | GND | PI | 0V | |||
| 92(J5) | GND | PI | 0V | |||
| 93(J5) | HDMI1_TX3P_PORT/EDP1 _TX_D3P | AO | RK3588 | AM3 | HDMI_TX1_D3P/EDP_TX1_D3P | |
| 94(J5) | TYPEC0_OTG_DP | AI/O | RK3588 | AL12 | TYPEC0_USB20_OTG_DP | |
| 95(J5) | HDMI1_TX3N_PORT/EDP1 _TX_D3N | AO | RK3588 | AN3 | HDMI_TX1_D3N/EDP_TX1_D3N | |
| 96(J5) | TYPEC0_OTG_DM | AI/O | RK3588 | AM12 | TYPEC0_USB20_OTG_DM | |
| 97(J5) | GND | PI | 0V | |||
| 98(J5) | GND | PI | 0V | |||
| 99(J5) | GPIO4_B5 | GPIO | 3.3V | RK3588 | AJ26 | BT1120_D11/PCIE30X4_WAKEN_M1/HDMI_RX_C EC_M0/SATA1_ACT_LED_M0/UART9_RX_M1/PW M12_M1/SPI3_MISO_M1/GPIO4_B5_d |
| 100(J5) | GPIO4_C0 | GPIO | 3.3V | RK3588 | AJ25 | BT1120_D14/PCIE20X1_2_WAKEN_M1/HDMI_TX0 _SDA_M0/I2C8_SCL_M3/SPI3_CS0_M1/GPIO4_C0 _u |
Table 4: J6 Connector Interface Pin Definition
| PinNumber | Signal Name | Signal Type | IOVoltage | Main IC | IC Pin Number | IC Pin Name |
|---|---|---|---|---|---|---|
| 1(J6) | GND | PI | 0V | |||
| 2(J6) | GND | PI | 0V | |||
| 3(J6) | PCIE30_PORT0_REFCLKN _IN | AI | RK3588 | E34 | PCIE30_PORT0_REF_CLKN | |
| 4(J6) | PCIE20_1_REFCLKP | AI/O | RK3588 | H32 | PCIE20_1_REFCLKP | |
| 5(J6) | PCIE30_PORT0_REFCLKP_ IN | AI | RK3588 | E33 | PCIE30_PORT0_REF_CLKP | |
| 6(J6) | PCIE20_1_REFCLKN | AI/O | RK3588 | H33 | PCIE20_1_REFCLKN | |
| 7(J6) | GND | PI | 0V | |||
| 8(J6) | GND | PI | 0V | |||
| 9(J6) | PCIE30_PORT0_TX0P | AO | RK3588 | D32 | PCIE30_PORT0_TX0P | |
| 10(J6) | PCIE20_1_TXN/SATA30_1 _TXN | AO | RK3588 | K34 | PCIE20_1_TXN/SATA30_1_TXN | |
| 11(J6) | PCIE30_PORT0_TX0N | AO | RK3588 | D33 | PCIE30_PORT0_TX0N | |
| 12(J6) | PCIE20_1_TXP/SATA30_1 _TXP | AO | RK3588 | K33 | PCIE20_1_TXP/SATA30_1_TXP | |
| 13(J6) | GND | PI | 0V | |||
| 14(J6) | GND | PI | 0V | |||
| 15(J6) | PCIE30_PORT1_RX3N | AI | RK3588 | B31 | PCIE30_PORT1_RX1N | |
| 16(J6) | PCIE20_0_TXP/SATA30_0 _TXP | AO | RK3588 | M34 | PCIE20_0_TXP/SATA30_0_TXP | |
| 17(J6) | PCIE30_PORT1_RX3P | AI | RK3588 | C31 | PCIE30_PORT1_RX1P | |
| 18(J6) | PCIE20_0_TXN/SATA30_0 _TXN | AO | RK3588 | M33 | PCIE20_0_TXN/SATA30_0_TXN | |
| 19(J6) | GND | PI | 0V | |||
| 20(J6) | GND | PI | 0V | |||
| 21(J6) | PCIE30_PORT1_RX2P | AI | RK3588 | B32 | PCIE30_PORT1_RX0P | |
| 22(J6) | PCIE20_0_RXN/SATA30_0 _RXN | AI | RK3588 | N34 | PCIE20_0_RXN/SATA30_0_RXN | |
| 23(J6) | PCIE30_PORT1_RX2N | AI | RK3588 | A32 | PCIE30_PORT1_RX0N | |
| 24(J6) | PCIE20_0_RXP/SATA30_0 _RXP | AI | RK3588 | N33 | PCIE20_0_RXP/SATA30_0_RXP | |
| 25(J6) | GND | PI | 0V | |||
| 26(J6) | GND | PI | 0V | |||
| 27(J6) | PCIE20_2_REFCLKN | AI/O | RK3588 | G30 | PCIE20_2_REFCLKN | |
| 28(J6) | GPIO0_C2 | I/O | 1.8V | RK3588 | T32 | PMIC_SLEEP4/GPIO0_C2_d |
| 29(J6) | PCIE20_2_REFCLKP | AI/O | RK3588 | G31 | PCIE20_2_REFCLKP | |
| 30(J6) | GPIO0_D3 | I/O | 1.8V | RK3588 | U33 | LITCPU_AVS/SPI3_CLK_M2/GPIO0_D3_u |
| 31(J6) | GND | PI | 0V | |||
| 32(J6) | GPIO0_C0 | I/O | 1.8V | RK3588 | T31 | PDM0_CLK0_M1/PWM1_M0/I2C2_SDA_M0/CAN0 RX_M0/SPI0_MOSI_M0/PCIE30X1_0_CLKREQN M0/GPIO0_C0_d |
| 33(J6) | GMAC1_MDC | I/O | RK3588 | Y31 | GMAC1_MDC/MIPI_TE0/I2C8_SCL_M4/UART7_RT SN_M1/PWM14_M0/SPI1_CS0_M1/GPIO3_C2_d | |
| 34(J6) | I2C6_SDA_M0 | I/O | 1.8V | RK3588 | V31 | I2S1_SDI2_M1/PDM0_SDI0_M1/I2C6_SDA_M0/U ART1_RTSN_M2/PWM6_M0/SPI0_MISO_M0/PCIE 30X4_WAKEN_M0/GPIO0_C7_d |
| 35(J6) | GMAC1_RSTN_L | I/O | RK3588 | AA28 | GMAC1_PTP_REF_CLK/HDMI_TX1_HPD_M1/I2C3 _SCL_M1/SPI1_MOSI_M1/GPIO3_B7_d | |
| 36(J6) | I2C6_SCL_M0 | I/O | 1.8V | RK3588 | W31 | I2S1_SDI3_M1/PDM0_SDI1_M1/I2C6_SCL_M0/UA RT1_CTSN_M2/PWM7_IR_M0/SPI3_MISO_M2/PCI E30X4_PERSTN_M0/GPIO0_D0_d |
| 37(J6) | GND | PI | 0V | |||
| 38(J6) | GND | PI | 0V | |||
| 39(J6) | GPIO4_C4 | I/O | 1.8V | RK3588 | AB34 | GMAC0_MDC/I2C7_SDA_M1/UART9_RTSN_M0/P WM5_M2/SPI3_MISO_M0/GPIO4_C4_d |
| 40(J6) | GMAC1_MDIO | I/O | RK3588 | Y30 | GMAC1_MDIO/MIPI_TE1/I2C8_SDA_M4/UART7_C TSN_M1/PWM15_IR_M0/SPI1_CS1_M1/GPIO3_C3 _d | |
| 41(J6) | GPIO2_B2 | I/O | 1.8V | RK3588 | AC34 | GMAC0_TXD3/SDIO_CMD_M0/I2C3_SCL_M3/GPI O2_B2_u |
| 42(J6) | GMAC1_TXD2 | I/O | RK3588 | AA29 | GMAC1_TXD2/SDIO_D0_M1/I2S3_MCLK/FSPI_D0 _M2/I2C6_SDA_M4/PWM10_M0/SPI4_MISO_M1/ GPIO3_A0_u | |
| 43(J6) | GPIO2_B1 | I/O | 1.8V | RK3588 | AC33 | GMAC0_TXD2/SDIO_D3_M0/FSPI_D3_M1/I2C8_S DA_M1/UART6_CTSN_M0/GPIO2_B1_u |
| 44(J6) | GMAC1_TXD3 | I/O | RK3588 | AA30 | GMAC1_TXD3/SDIO_D1_M1/I2S3_SCLK/AUDDSM _LN/FSPI_D1_M2/I2C6_SCL_M4/PWM11_IR_M0/S PI4_MOSI_M1/GPIO3_A1_u | |
| 45(J6) | GPIO2_C0 | I/O | 1.8V | RK3588 | AE34 | GMAC0_TXEN/I2S2_LRCK_M0/I2C2_SDA_M1/UAR T1_RTSN_M0/SPI1_CLK_M0/GPIO2_C0_d |
| 46(J6) | GMAC1_TXD0 | I/O | RK3588 | AC28 | GMAC1_TXD0/I2S2_SDO_M1/UART2_RTSN/GPIO3 _B3_u | |
| 47(J6) | GPIO2_B6 | I/O | 1.8V | RK3588 | AD33 | GMAC0_TXD0/I2S2_MCLK_M0/I2C5_SCL_M4/UA RT1_RX_M0/GPIO2_B6_d |
| 48(J6) | GMAC1_TXD1 | I/O | RK3588 | AC29 | GMAC1_TXD1/I2S2_MCLK_M1/UART2_CTSN/GPI O3_B4_u | |
| 49(J6) | GPIO2_B7 | I/O | 1.8V | RK3588 | AD34 | GMAC0_TXD1/I2S2_SCLK_M0/I2C5_SDA_M4/UAR T1_TX_M0/GPIO2_B7_d |
| 50(J6) | GMAC1_TXEN | I/O | RK3588 | AD29 | GMAC1_TXEN/I2S2_SCLK_M1/CAN1_RX_M0/UAR T3_TX_M1/PWM12_M0/GPIO3_B5_u | |
| 51(J6) | GPIO2_B3 | I/O | 1.8V | RK3588 | AE33 | GMAC0_TXCLK/SDIO_CLK_M0/FSPI_CLK_M1/I2C 3_SDA_M3/GPIO2_B3_d |
| 52(J6) | GMAC1_MCLKINOUT | I/O | RK3588 | AE29 | GMAC1_MCLKINOUT/I2S2_LRCK_M1/CAN1_TX_ M0/UART3_RX_M1/PWM13_M0/GPIO3_B6_d | |
| 53(J6) | GPIO4_C6 | I/O | 1.8V | RK3588 | AF33 | GMAC0_TXER/I2C0_SDA_M1/UART7_CTSN_M0/P WM7_IR_M3/SPI3_CLK_M0/GPIO4_C6_d |
| 54(J6) | GMAC1_TXCLK | I/O | RK3588 | AD28 | GMAC1_TXCLK/SDIO_CMD_M1/I2S3_SDI/AUDDS M_RP/UART8_RTSN_M1/SPI4_CS1_M1/GPIO3_A4 _d | |
| 55(J6) | GPIO4_C3 | I/O | 1.8V | RK3588 | AF34 | GMAC0_MCLKINOUT/I2S2_SDO_M0/I2C7_SCL_M 1/PWM4_M1/SPI3_CS1_M0/GPIO4_C3_d |
| 56(J6) | GND | PI | 0V | |||
| 57(J6) | GND | PI | 0V | |||
| 58(J6) | MIPI_CSI1_RX_D0N | AI | RK3588 | AG32 | MIPI_CSI1_D0N | |
| 59(J6) | MIPI_CSI0_RX_D0P | AI | RK3588 | AG33 | MIPI_CSI0_D0P | |
| 60(J6) | MIPI_CSI1_RX_D0P | AI | RK3588 | AG31 | MIPI_CSI1_D0P | |
| 61(J6) | MIPI_CSI0_RX_D0N | AI | RK3588 | AG34 | MIPI_CSI0_D0N | |
| 62(J6) | GND | PI | 0V | |||
| 63(J6) | GND | PI | 0V | |||
| 64(J6) | MIPI_CSI1_RX_D1N | AI | RK3588 | AH32 | MIPI_CSI1_D1N | |
| 65(J6) | MIPI_CSI0_RX_D1N | AI | RK3588 | AH34 | MIPI_CSI0_D1N | |
| 66(J6) | MIPI_CSI1_RX_D1P | AI | RK3588 | AH31 | MIPI_CSI1_D1P | |
| 67(J6) | MIPI_CSI0_RX_D1P | AI | RK3588 | AH33 | MIPI_CSI0_D1P | |
| 68(J6) | GND | PI | 0V | |||
| 69(J6) | GND | PI | 0V | |||
| 70(J6) | MIPI_CSI1_RX_CLK0N | AI | RK3588 | AJ32 | MIPI_CSI1_CLK0N | |
| 71(J6) | MIPI_CSI0_RX_CLK0P | AI | RK3588 | AJ33 | MIPI_CSI0_CLK0P | |
| 72(J6) | MIPI_CSI1_RX_CLK0P | AI | RK3588 | AJ31 | MIPI_CSI1_CLK0P | |
| 73(J6) | MIPI_CSI0_RX_CLK0N | AI | RK3588 | AJ34 | MIPI_CSI0_CLK0N | |
| 74(J6) | GND | PI | 0V | |||
| 75(J6) | GND | PI | 0V | |||
| 76(J6) | MIPI_CSI1_RX_D2N | AI | RK3588 | AK32 | MIPI_CSI1_D2N | |
| 77(J6) | MIPI_CSI0_RX_D2P | AI | RK3588 | AK33 | MIPI_CSI0_D2P | |
| 78(J6) | MIPI_CSI1_RX_D2P | AI | RK3588 | AK31 | MIPI_CSI1_D2P | |
| 79(J6) | MIPI_CSI0_RX_D2N | AI | RK3588 | AK34 | MIPI_CSI0_D2N | |
| 80(J6) | GND | PI | 0V | |||
| 81(J6) | GND | PI | 0V | |||
| 82(J6) | MIPI_CSI1_RX_D3N | AI | RK3588 | AL32 | MIPI_CSI1_D3N | |
| 83(J6) | MIPI_CSI0_RX_D3N | AI | RK3588 | AL34 | MIPI_CSI0_D3N | |
| 84(J6) | MIPI_CSI1_RX_D3P | AI | RK3588 | AL31 | MIPI_CSI1_D3P | |
| 85(J6) | MIPI_CSI0_RX_D3P | AI | RK3588 | AL33 | MIPI_CSI0_D3P | |
| 86(J6) | GND | PI | 0V | |||
| 87(J6) | GND | PI | 0V | |||
| 88(J6) | MIPI_CSI1_RX_CLK1N | AI | RK3588 | AM32 | MIPI_CSI1_CLK1N | |
| 89(J6) | MIPI_CSI0_RX_CLK1P | AI | RK3588 | AM33 | MIPI_CSI0_CLK1P | |
| 90(J6) | MIPI_CSI1_RX_CLK1P | AI | RK3588 | AM31 | MIPI_CSI1_CLK1P | |
| 91(J6) | MIPI_CSI0_RX_CLK1N | AI | RK3588 | AM34 | MIPI_CSI0_CLK1N | |
| 92(J6) | GND | PI | 0V | |||
| 93(J6) | GND | PI | 0V | |||
| 94(J6) | GPIO2_B0 | I/O | 1.8V | RK3588 | AE32 | GMAC0_RXCLK/SDIO_D2_M0/FSPI_D2_M1/I2C8_ SCL_M1/UART6_RTSN_M0/GPIO2_B0_u |
| 95(J6) | MIPI_DPHY0_RX_D3N | AI | RK3588 | AP33 | MIPI_DPHY0_RX_D3N/MIPI_CPHY0_RX_TRIO2_C | |
| 96(J6) | GPIO4_C2 | I/O | 1.8V | RK3588 | AE31 | GMAC0_RXDV_CRS/UART7_RTSN_M0/PWM2_M2 /SPI3_CS0_M0/GPIO4_C2_d |
| 97(J6) | MIPI_DPHY0_RX_D3P | AI | RK3588 | AN34 | MIPI_DPHY0_RX_D3P/NO_USE | |
| 98(J6) | GPIO2_C2 | I/O | 1.8V | RK3588 | AD31 | GMAC0_RXD1/I2C6_SDA_M2/UART9_TX_M0/SPI1 _MOSI_M0/GPIO2_C2_d |
| 99(J6) | GND | PI | 0V | |||
| 100(J6) | GPIO2_C4 | I/O | 1.8V | RK3588 | AC30 | GMAC0_PPSCLK/TEST_CLKOUT_M1/HDMI_TX1_ CEC_M0/UART9_RX_M0/SPI1_CS1_M0/GPIO2_C4 _d |
机械尺寸


