USB
芯片名称与内核版本
- 芯片名称:RK3576
- 内核版本:Linux-6.1
前言
本指南提供RK3576 USB模块的开发指南,目的是让开发者理解RK3576 USB控制器和PHY的硬件电路设计和软件DTS配置,以便根据产品的USB应用需求进行灵活设计和快速开发。本指南适用于技术支持工程师、软件开发工程师和硬件开发工程师。
1.RK3576 USB控制器和PHY简介
RK3576支持2个独立的USB 3.1 OTG控制器、2个独立的USB 2.0 PHY、1个USB 3.1/DP Combo PHY和1个USB 3.1/SATA/PCIe Combo PHY。详细特性请参考RK3576 TRM。
RK3576 USB 新增如下功能:
- OTG0/1支持MMU,允许USB控制器硬件访问超过4G的内存空间。
- OTG1支持CCI保证Cache一致性,OTG0不支持。
- OTG0 DP/DM支持与UART/JTAG复用,默认使能,需结合RK USB to DEBUG转接板使用。
Note:
- USB 3.1 Gen1物理层传输速率为5Gbps,USB 2.0物理层传输速率为480Mbps。
- USB 3.1/DP Combo PHY支持4 x lanes,可同时支持USB 3.1 + DP 2 x lanes。
- USB 3.1/SATA/PCIe Combo PHY在同一时刻只能支持一种工作模式,USB 3.1与SATA/PCIe接口互斥。
表1 RK3576 USB控制器和PHY的连接关系
| USB接口名称(原理图) | USB控制器 | USB PHY |
|---|---|---|
| USB OTG0 | OTG0 (DWC3&xHCI) | USB3.1/DP ComboPHY + USB2.0 PHY0 |
| USB OTG1 | OTG1 (DWC3&xHCI) | USB3.1/SATA/PCie ComboPHY1 + USB2.0 PHY1 |
RK3576 USB 控制器和芯片端 USB 传输数据的 pin 脚的对应关系如下表 2 所示。
表2 RK3576 USB控制器和USB pin脚的对应关系
| USB控制器/Pin脚 | RK3576 USB data pin |
|---|---|
| USB 3.1 OTG0 | USB2_OTG0_DP/USB2_OTG0_DM, USB3_OTG0_SSRX1P/USB3_OTG0_SSRX1N, USB3_OTG0_SSTX1P/USB3_OTG0_SSTX1N, USB3_OTG0_SSRX2P/USB3_OTG0_SSRX2N, USB3_OTG0_SSTX2P/USB3_OTG0_SSTX2N |
| USB 3.1 OTG1 | USB2_OTG1_DP/USB2_OTG1_DM, USB3_OTG1_SSTXP/USB3_OTG1_SSTXN, USB3_OTG1_SSRXP/USB3_OTG1_SSRXN |
RK3576 USB 控制器和 PHY 的内部连接关系,以及对应的常见 USB 物理接口如下图 1 所示 图1 RK3576 USB控制器和PHY的连接示意图

Note:
- RK3576 USB 支持的接口类型并不局限于图 1 所描述的 Type-C/A USB 接口类型,还可以支持所有 常见的 USB 接口,包括 Type-C USB 2.0/3.1,Type-A USB 2.0/3.1,Micro USB 2.0/3.1 等。为了 适配不同的 USB 电路设计和接口类型,Linux-6.1 内核 USB 驱动已经做了软件兼容,开发者只需要 根据产品的 USB 硬件电路,对 Linux USB DTS 进行正确配置,即可使能对应的 USB 接口功能。详 细的 USB DTS 配置方法,请参考 RK3576 USB DTS 配置。
- 特殊使用限制:OTG1/PCIe1/SATA1 控制器访问总线互斥,如果硬件电路设计上已使用了PCIe1或 者SATA1,则 OTG1 USB2 和 USB3 功能都无法使用。
2.RK3576 USB Config Map
RK3576 的 2 个独立的 USB 控制器可以支持如下图 2 ~ 4 所列出的配置方式构成不同的产品形态。 USB OTG0 可以支持 5 种硬件电路设计: Config0: Type-C0 USB3.1 OTG0 with DP function Config1: USB 2.0 OTG0 + DP 4 x Lane (Swap off) Config2: USB 2.0 OTG0 + DP 4 x Lane (Swap on) Config3: USB 3.1 OTG0 + DP 2 x Lane (Swap on) Config4: USB 3.1 OTG0 + DP 2 x Lane (Swap off) USB OTG1 支持的 2 种硬件电路设计: Config0: USB 2.0 only OTG1 Config1: USB 3.1 OTG1 如果要了解更详细的 USB 配置表,请参考 RK3576 SDK EVB 参考原理图章节 USB/DP Configure Map。 Note:
- USB 2.0/3.1 OTG1 都不能与 PCIe1/SATA1 同时使用
- USBDP Swap on/off 两种配置的 Lanes 对应关系如下: Swap off:Lane0/1/2/3 TxData mapping to Lane0/1/2/3_TXDP/N Swap on: Lane0/1/2/3 TxData mapping to Lane2/3/0/1_TXDP/N
图2 RK3576 USB Path Map

图3 RK3576 OTG0 USBDP Path Map
图4 RK3576 OTG1 MULTI PHY Path Map
3.RK3576 USB硬件电路设计
本章节主要说明 RK3576 USB 在实际应用中,可支持的各种硬件电路设计方案。RK3576可以支持的接口 如下:
- USB30/DP1.4 MULTI0
- USB30/PCIE2.0/SATA30 MULTI1
3.1 USB控制器供电及功耗管理
RK3576 USB 控制器的供电电源是 VD_LOGIC。同时,芯片内部有设计 USB 控制器专用的 power domain:USB3.1 OTG0 位于 PD_USB;USB3.1 OTG1 位于 PD_PHP。
在实际使用场景中,Linux USB 控制器驱动会根据 USB 接口的工作情况,基于 Linux PM Runtime 机 制,动态开关 USB 控制器的 PD,以降低 USB 控制器的功耗。而当系 统进入二级待机时,为了达到最优 功耗的目的,软件会强制关闭 USB 控制器的所有 PD。因此,在实际产品的应用场景中,如果需要在二 级待机时,保持 USB 控制器的寄存器工作状态,则需要在 USB 控制器驱动中调用函数 device_init_wakeup ,避免二级待机时关闭 USB 控制器的 PD。
USB 控制器的功耗控制策略如下:
- 对于不使用的 USB 控制器,需要将对应的控制器 DTS 节点配置为 disabled;
- 对于内核已启用的 USB 控制器,内核 USB 驱动已经支持 USB 控制器 Auto suspend 功能 (当 USB HOST 接口不接任何外设时,控制器自动进入 suspend 低功耗状态),因此,开发者不需要对 USB 控制器的动态功耗管理进行调试。
3.2 USB PHY供电及功耗管理
3.2.1 USB 2.0 PHY供电及功耗管理
RK3576 支持 2 个 独立的 USB 2.0 PHY。在芯片内部,所有 USB 2.0 PHY 都属于 VD_USBPHY,并且, 所有 USB 2.0 PHY 共用如下图 5 所示的 3 路外部供电电源。因此,在系统运行时,无法通过硬件断电和 关闭 PD 的简单方法,来降低 USB 2.0 PHY 的功耗。

需要注意的是,在实际电路中,USB 2.0 PHY 的供电电压值超过规 定的最大值或者低于规定的最小值,可能会导致 USB 连接异常。
表 3 USB 2.0 PHY 供电电压要求
| 供电电源 | 最小 | 正常 | 最大 | Unit |
|---|---|---|---|---|
| USB2_OTG_DVDD_0V75 | 0.6975 | 0.75 | 0.825 | V |
| USB2_OTG_AVDD_1V8 | 1.674 | 1.8 | 1.98 | V |
| USB2_OTG_AVDD_3V3 | 3.069 | 3.3 | 3.63 | V |
USB 2.0 PHY 的功耗控制策略如下:
- 为了支持 Maskrom USB 下载固件的功能,必须保证 USB 2.0 PHY 的三路供电均正常;
- 系统上电后,所有 USB 2.0 PHY 默认处于 Normal mode,软件在 U-Boot SPL 阶段,配置 USB 2.0 PHY1/PHY2/PHY3 处于最低功耗 IDDQ mode(SDK 已经支持),在进入系统后,内核 USB 驱 动会根据应用需求,设置对应的 USB 2.0 PHY 退出 IDDQ mode;
- 对于内核已启用的 USB 2.0 PHY,内核 USB 2.0 PHY 驱动会自动对 PHY 进行动态功耗控制,当检 测到有设备插入时,自动设置 USB 2.0 PHY 处于 Normal mode,当检测到没有设备插入时,自动 设置 USB 2.0 PHY 处于 Suspend mode;
USB 2.0 PHY 处于不同工作模式的功耗数据如下表 4 所示
表 4 USB 2.0 PHY 功耗数据 (统计为单个 USB 2.0 PHY 的功耗)
| 供电电源 | 读写数据 | 动态休眠 | PHY disabled | 二级待机 | 单位 |
|---|---|---|---|---|---|
| USB20_DVDD_0V75 | 8.9mA | 2.8mA | 0.05mA | 0mA | mA |
| USB20_AVDD_1V8 | 8.6mA | 3.34mA | 0.05mA | 0mA | mA |
| USB20_AVDD_3V3 | 2.5mA | 0.14mA | 0.05mA | 0mA | mA |
Note:
- 读写数据功耗的测试场景:接 U2 盘拷贝数据,PHY 处于 Normal mode;
- 动态休眠功耗的测试场景:USB 2.0 PHY 的 DTS enable,但不接 USB 外设,PHY 处于 Suspend mode;
- PHY disabled 功耗的测试场景:USB 2.0 PHY 的 DTS diabled,PHY 处于 IDDQ mode;
- 二级待机功耗的测试场景:USB 2.0 PHY 的三路供电电源全部关闭;
3.2.2 USB 3.1 PHY供电及功耗管理
RK3576 支持两种 USB 3.1 Combo PHY:
- USB 3.1/DP Combo PHY
- USB 3.1/PCIe/SATA Combo PHY 这两种 USB 3.1 Combo PHY 对应的供电电源和功耗控制方式都不一样,下面分别进行说明。
3.2.2.1 USB 3.1/DP Combo PHY
RK3576 USB3.1 OTG0 使用 USB 3.1/DP Combo PHY 。在芯片内部,USB 3.1/DP Combo PHY 属于 VD_USBDPPHY (Alive),在芯片外部有两路独立供电电源,如下图 6 所示。

图 6 RK3576 USBDP Combo PHY 供电电源
表 5 USB 3.1/DP Combo PHY 供电电压要求
| 供电电源 | 最小 | 正常 | 最大 | Unit |
|---|---|---|---|---|
| VDD_0V85/VDDA_0V85 | 0.8075 | 0.85 | 0.8925 | V |
| VDDH_1V8 | 1.71 | 1.8 | 1.89 | V |
USB 3.1/DP Combo PHY 的功耗控制策略如下:
- 系统上电后,USBDP PHY 处于未初始化状态时,功耗最低;
- 在支持 USBDP 的应用场景,内核 USBDP PHY 驱动会自动对 PHY 进行动态功耗控制,当检测到有 设备插入时,自动设置 USBDP PHY 处于 P0 State,当检测到没有设备插入时,自动设置 USBDP PHY 处于 P3 State (应用于 Type-A 接口)或者处于 reset state (应用于 Type-C 接口);
- 对于不使用的 USBDP 的应用场景(即 USB3.1 和 DP 都不使用),USBDP PHY 的供电电源可以根 据项目需求选择正常供电或者断电两种电路设计,具体说明如下: (1) 如果要支持 USB3.1 下载固件的功能,则要求 USBDP PHY 的供电电源必须正常供电; (2) 如果不需要支持 USB3.1 下载固件的功能,则建议 USBDP PHY 的供电电源进行外部断电处理, 但 DTS 要修改配置,具体请参考USB PHY 不供电的 DTS 配置; (3) 如果不需要支持 USB3.1 下载固件的功能,且 USBDP PHY 的供电电源正常供电,则建议将 USBDP PHY DTS 节点配置为 disabled,也即让 PHY 处于上电且未初始化状态,功耗最低;
表 6 USB 3.1/DP Combo PHY 功耗数据
| 供电电源 | 读写数据 | 动态休眠 | PHY disabled | 二级待机 | 单位 |
|---|---|---|---|---|---|
| VDD_0V85/VDDA_0V85 | 101.6mA | 5mA | 2mA | 0mA | mA |
| VDDH_1V8 | 29mA | 0mA | 0mA | 0mA | mA |
| Note: |
- 读写数据功耗的测试场景:接 U3 盘拷贝数据,PHY 处于 P0 state;
- 动态休眠功耗的测试场景:Type-C 接口,不接 USB 外设,PHY 处于 reset state;
- PHY disabled 功耗的测试场景:PHY 的 DTS 节点配置为 disabled,PHY 处于未初始化状态,此状 态下,功耗最低;
- 二级待机功耗的测试场景:PHY 的两路供电电源全部关闭;
内核 disable USBDP PHY 的方法如下:
&usbdp_phy {
status = "disabled";
};
&usbdp_phy_dp {
status = "disabled";
};
&usbdp_phy_u3 {
status = "disabled";
};
3.2.2.2 USB 3.1/PCIe/SATA Combo PHY
RK3576 USB3.1 OTG1使用 USB3.1/PCIe/SATA Combo PHY1。在芯片内部,这个 PHY 属于 PD_BUS (Alive),在芯片外部有两路独立供电电源,如图 7 所示。
图 7 RK3576 USB 3.1/PCIe/SATA Combo PHY 供电电源
表 7 USB 3.1/PCIe/SATA Combo PHY 供电电压要求
| 供电电源 | 最小 | 正常 | 最大 | Unit |
|---|---|---|---|---|
| AVDD_0V85 | 0.8 | 0.85 | 0.935 | V |
| AVDD_1V8 | 1.62 | 1.8 | 1.98 | V |
USB 3.1/PCIe/SATA Combo PHY 的功耗控制策略如下:
- 芯片上电时,USB 3.1/PCIe/SATA Combo PHY 默认处于工作状态。软件在 U-Boot SPL 阶段,设 置 PHY 处于 reset state,以保持 PHY 处于最低功耗。进入内核后,USB 控制器驱动会通过调用 rockchip_combphy_init() 函数释放 PHY 的 reset。
- PHY 的动态功耗控制:当 Combo PHY 工作在 USB mode 时,PHY 的 PIPE state (P0/P1/P2/P3) 由 USB 控制器硬件自动控制,根据不同的工作场景,动态进入和退出 P0/P1/P2/P3 state。比如, 未插入任何 USB 设备时,PIPE 处于 P3 state;插入 U3 disk 时,则切换到 P0 state;当接 U3 HUB 时,只要 HUB 的下行端口没有接其他 USB 外设,则 PIPE state 会自动进入 P3 state 低功 耗。当有 USB 外设插入U3 HUB,则 PIPE state 自动切换为 P0。(注:P0 为正常工作状态,P3 为 最低功耗状态)
- 当明确不使用 USB 3.1 OTG1/PCIe/SATA 接口时,对应的 Combo PHY 可以不供电,但 DTS 要修改 配置,具体请参考USB PHY 不供电的 DTS 配置;
- 在 PHY 供电的情况下,如果不使用这个PHY,需要将对应的 PHY DTS 节点配置为 disabled,也即 让 PHY 处于 reset state,功耗最低;
表 8 USB 3.1/SATA/PCIe Combo PHY 功耗数据
| 供电电源 | 读写数据 | 动态休眠 | PHY disabled | 二级待机 | 单位 |
|---|---|---|---|---|---|
| AVDD_0V85 | 44.5mA | 9.6mA | 0.4mA | 0mA | mA |
| AVDD_1V8 | 5.2mA | 0.5mA | 0.2mA | 0mA | mA |
| Note: |
- 读写数据功耗的测试场景:接 U3 盘拷贝数据,PHY 处于 P0 state;
- 动态休眠的测试场景:PHY DTS enable,但不接 USB 外设,PHY 处于 P3 State;
- PHY disabled 的测试场景:PHY 的 DTS 节点配置为 disabled,PHY 处于 reset state;
- 二级待机功耗的测试场景:PHY 的两路供电电源全部关闭。 内核 disable USB 3.1/PCIe/SATA Combo PHY 的方法如下:
&combphy1_psu {
status = "disabled";
};
3.3 USB硬件电路设计
3.3.1 USB2_OTG0_VBUSDET电路设计
USB2_OTG0_VBUSDET 用于 USB 作为 Device 时,设备的连接、断开检测。其设计注意点如下:
- 设计为支持 PD 功能的 Type-C 接口,即支持外置 Type-C 控制器芯片(FUSB302 或 HUSB311 等),则参考 RK3576 EVB1 Type-C 的电路设计即可( USB2_OTG0_VBUSDET 固定上拉到 VCC_3V3_S0),软件驱动可以通过 Type-C 控制器芯片的 CC 检测 USB Device 的连接和断开;
- 对于其他没有支持外置 Type-C 控制器芯片的电路设计方案(如Type-C USB 2.0 only,Type-A USB 3.1,Micro USB 2.0/3.1),要求 USB2_OTG0_VBUSDET 仍然按照传统的分压电路设计,连接到 USB 接口的 VBUS 引脚,VBUSDET 不作常供电的设计(如果有作 USB HOST 的需求,需要独立的 GPIO 或者 PMIC VBUS 控制,不与其他 USB HOST VBUS控制电路复用);
- 要求芯片输入端 USB2_OTG0_VBUSDET 的高电平范围在
[0.9V ~ 3.3V];
3.3.2 Maskrom USB电路设计
Maskrom 支持 USB3.1 下载固件,同时向下兼容 USB2.0 下载固件。硬件设计要求如下:
- USB 2.0 PHY 相关电源必须供电,具体请参考USB 2.0 PHY 供电及功耗管理;
- USBDP PHY 相关电源,可以根据实际项目需求选择正常供电或者断电两种电路设计,具体请参考 USB 3.1 PHY 供电及功耗管理; 如果要支持 USB3.1 下载固件,要求 USBDP PHY 相关电源必须供电,并且 USB3_OTG0_TX1/RX1 连接到 USB 下载口。
- Maskrom USB 枚举不依赖于 USB2_OTG0_VBUSDET 的电平;
- 烧写工具配置说明 (1) USB 3.1 下载固件的功能,必须配合 Windows 工具 v3.28 或者 Linux 工具 v2.30 或者更新的版 本使用,并手动修改烧写工具的 config.ini Windows 工具的 config.ini 修改:USB3_TRANSFER=TRUE Linux 工具的 config.ini 修改:usb3_transfer_on=true
(2) 硬件电路设计上,如果只支持 OTG0 USB2 only 且 USBDP PHY 未供电 (即 USB3_OTG0_DP_TX_AVDD0V85、USB3_OTG0_DP_TX_DVDD0V85、 USB3_OTG0_DP_TX_AVDD1V8 这三路未供电),则需要关闭烧写工具的 USB3 功能,否则会导致 Maskrom下载固件失败。
3.3.3 USB2支持唤醒系统的电路设计
USB2 支持通过 DP/DM 唤醒系统,该功能对二级待机时的供电有特殊要求,具体如下:
- USB2 PHY 的三路外部电源(USB2_OTG_DVDD_0V75、USB2_OTG_AVDD_1V8、USB2_OTG_AVDD_3V3)要保持供电;
- USB 接口的 VBUS 保持对 USB 外设供电;
- RK3576 的 OSC 外部电源(OSC_AVDD1V8)保持供电;
- RK3576 的 PMU 外部电源保持供电;
- RK3576 的 Logic 外部电源可以选择供电或者断电。建议 Logic 断电,以降低二级待机功耗。
3.3.4 Type-C USB 3.1/DP全功能硬件电路
以 RK3576 EVB1 USB 3.1 OTG0 Type-C 硬件电路设计为例。
- Type-C 电路须配合外置的 Type-C 控制器芯片,才能实现 Type-C 的完整功能(包括:正反面检 测、PD充电协商、Alternate Mode 协商)。RK3576 可支持大部分常用的 Type-C 控制器芯片,具 体请参考Type-C 控制器芯片支持列表;
- 为了支持高压充电功能,同时降低硬件电路的风险,USB2_OTG0_VBUSDET 不要连接 Type-C 接口 的 VBUS,固定上拉到 3.3V 即可(如图 8 和图 9 USB2_OTG0_VBUSDET 连接到 VCC_3V3_S0),但 不能悬空;
- USB2_OTG0_ID 只用于 Micro 接口类型的 OTG 功能,Type-C 电路不需要使用,悬空即可。
- TYPEC_SBU1/TYPEC0_SBU2 只用于 DP Alternate Mode 的 AUX 通信。按照 AUX 的协议要求,需 要根据 Type-C 插入的正反面,对 SBU1/SBU2 进行相应的电平上拉操作。 因为 RK3576 芯片内部 没有实现 SBU1/SBU2 的自动上拉,所以要求硬件外部电路增加两个 GPIO 控制(对应图 9 中的 TYPEC_SBU1/TYPEC_SBU2)。对 GPIO 的默认上下拉方式没要求,可以选择任意的 GPIO。软件 上,需要修改 usbdp_phy 节点的属性 sbu1-dc-gpios 和 sbu2-dc-gpios 进行适配;
- Type-C USB DTS 的软件配置,请参考 Type-C USB 3.1/DP 全功能 DTS 配置;
图8 RK3576 Type-C电路
图9 RK3576 Type-C接口
图10 RK3576 Type-C VBUS控制电路
3.3.5 Type-C to Type-A USB 3.1/DP硬件电路
该方案适用于 RK3576 USB 3.1 OTG0 Type-C 可以拆分为独立的 Type-A USB 3.1 接口和 DP(2 x Lane)接口使用。以 RK3576 EVB2 Type-C to Type-A USB 3.1/DP 硬件电路设计为例。
- Type-A USB 3.1 使用 USB3_OTG0_SSRX1P/N 和 USB3_OTG0_SSTX1P/N (对应芯片内部 USBDP PHY 的 lane0/1),而 DP 使用 DP_TX_D2P/N 和 DP_TX_D3P/N (对应芯片内部 USBDP PHY 的 lane2/3);
- 如果 USB OTG 有作 Device/HOST 的应用场景,建议 USB2_OTG0_VBUSDET 通过 30KΩ 的电阻串联到 Type-A USB 接口的 VBUS;
- Type-A VBUS 的供电电源 (VCC5V0_USB30_HOST0) 由 GPIO 控制,当 OTG 作 Device mode,关闭 VBUS 输出。当 OTG 作 HOST mode,打开 VBUS 输出。此外,稳压芯片 SGM2590D 的输出电流由 OCB pin 连接的电阻决定,最大电流
Ilim(A)=6612/RILIM^0.982,如下图 12 所示,VBUS 输出限流为 2.3A; - Type-C to Type-A USB 3.1/DP 对应的 DTS 配置,请参考 Type-C to Type-A USB 3.1/DP DTS 配 置; Note: 理论上,硬件电路也可以设计为 Type-A USB 3.1 使用 lane2/3,DP 使用 lane0/1,但软件需要对 usbdp_phy 节点的属性 rockchip,dp-lane-mux 进行修改,以适配硬件设计。

图 11 RK3576 Type-A USB 3.1/DP 电路

图 12 RK3576 Type-A USB3.1 接口
3.3.6 Type-C to Type-A/Micro USB 2.0/DP 硬件电路
该方案适用于 RK3576 USB 3.1 OTG0 Type-C 可以拆分为独立的 Type-A USB 2.0 接口和 DP(4 x Lane)接口使用。以 RK3576 TEST2 Board Type-C to Type-A USB 2.0/DP 硬件电路设计为例。
- TYPEC USBDP PHY 的 4 x Lane 全部给 DP 接口使用,USB 不使用 USBDP PHY。
- TYPEC USB 只作 HOST mode 使用时,USB2_OTG0_ID 和 USB2_OTG0_VBUSDET 悬空即可。
- Type-A VBUS 的供电电源 (VCC5V0_USB2_OTG0) 由 GPIO 控制,当 OTG 作 HOST mode,打开 VBUS 输出。此外,稳压芯片 SGM2590D 同样有限流配置。
- Type-C to Type-A USB 2.0/DP 对应的 DTS 配置,请参考 Type-C to Type-A/Micro USB 2.0/DP DTS 配置。

[图片占位符]
图 13 RK3576 Type-A USB 2.0/DP 电路

图 14 RK3576 Type-A/Micro USB2 接口
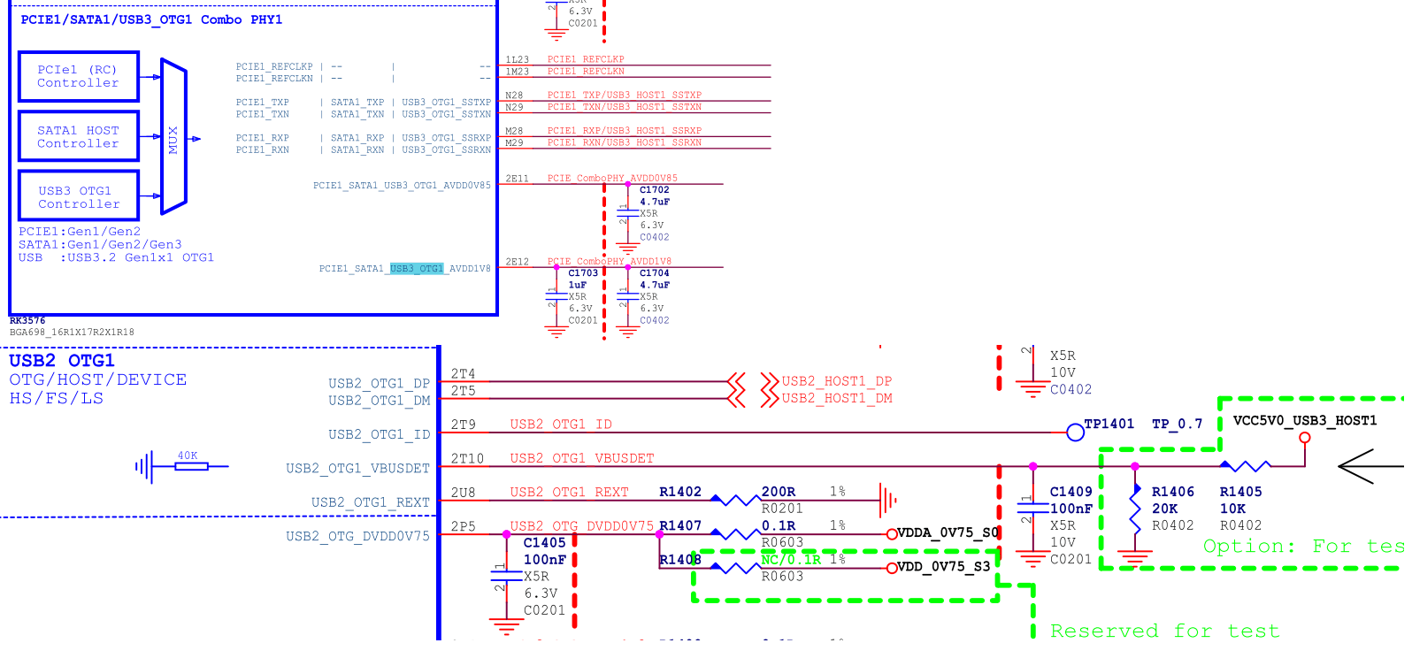
3.3.7 Type-A USB3.1 OTG1 硬件电路
如前文所述,RK3576 USB3.1 OTG0 和 OTG1 的关键区别在于连接的 USB3 PHY 不同,因此,R3576 USB 3.1 OTG1 非 Type-C 硬件电路基本和 USB 3.1 OTG0 USB 电路相同;而对于全功能 Type-C 电路,需要在 OTG1 和 Type-C 接口中间增加一个 USB3.1 Switch 芯片(如 FUSB340)和一个 Type-C 控制器(如 FUSB302)。

图 15 RK3576 USB3.1 OTG1 接口
4. RK3576 USB DTS 配置
RK3576 USB DTS 配置,包括:芯片级 USB 控制器/PHY DTSI 配置和板级 DTS 配置。详细配置方法,请参考内核如下文档:
- kernel/Documentation/devicetree/bindings/usb/snps,dwc3.yaml
- kernel/Documentation/devicetree/bindings/connector/usb-connector.yaml
- kernel/Documentation/devicetree/bindings/phy/phy-rockchip-inno-usb2.yaml
- kernel/Documentation/devicetree/bindings/phy/phy-rockchip-usbdp.yaml
- kernel/Documentation/devicetree/bindings/phy/phy/phy-rockchip-naneng-combphy.txt
4.1 USB 芯片级 DTSI 配置
RK3576 DTSI 文件中 USB 控制器和 PHY 相关的主要节点如下表所示,由于 USB DTSI 节点配置的是 USB 控制器和 PHY 的公共资源和属性,建议开发者不要改动。对应的 DTSI 完整路径如下:
arch/arm64/boot/dts/rockchip/RK3576.dtsi
表 9 RK3576 USB 接口和 USB DTS 节点的对应关系
| USB 接口名称(原理图) | USB 控制器 DTS 节点 | USB PHY DTS 节点 |
|---|---|---|
| USB3 OTG0 | usb_drd0_dwc3 | u2phy0, u2phy0_otg, usbdp_phy, usbdp_phy_u3 |
| USB3 OTG1 | usb_drd1_dwc3 | u2phy1, u2phy1_otg, combphy1_psu |
USB 控制器 DTSI 节点
#USB3.1 OTG0 Controller
usb_drd0_dwc3: usb@23000000 {
compatible = "rockchip,rk3576-dwc3", "snps,dwc3";
......
};
#USB3.1 OTG1 Controller
usb_drd1_dwc3: usb@23400000 {
compatible = "rockchip,rk3576-dwc3", "snps,dwc3";
......
};
USB PHY DTSI 节点 注 意:USB PHY 和 USB 控制器具有一一对应的关系,需要成对配置。在芯片内部,USB PHY 和 控制器 的连接关系,请参考 RK3576 USB 控制器和 PHY 简介的图 1 和表 9。在DTSI 节点中,通过 USB 控制器 节点的 "phys" 属性关联对应的 USB PHY
usb2phy_grf: syscon@2602e000 {
compatible = "rockchip,RK3576-usb2phy-grf", "syscon",
"simple-mfd";
......
// USB2.0 PHY0
u2phy0: usb2-phy@0 {
compatible = "rockchip,RK3576-usb2phy";
......
u2phy0_otg: otg-port {
#phy-cells = <0>;
status = "disabled";
};
};
// USB2.0 PHY1
u2phy1: usb2-phy@2000 {
compatible = "rockchip,RK3576-usb2phy";
......
u2phy1_otg: otg-port {
#phy-cells = <0>;
status = "disabled";
};
};
};
#USB3.1/DP Combo PHY
usbdp_phy: phy@2b010000 {
compatible = "rockchip,rk3576-usbdp-phy";
......
usbdp_phy_dp: dp-port {
#phy-cells = <0>;
status = "disabled";
};
usbdp_phy_u3: u3-port {
#phy-cells = <0>;
status = "disabled";
};
};
#USB3.1/SATA/PCIe PHY1
combphy1_psu: phy@2b060000 {
compatible = "rockchip,rk3576-naneng-combphy";
......
};
4.2 Type-C USB 3.1/DP 全功能 DTS 配置
参考 arch/arm64/boot/dts/rockchip/rk3576-evb1.dtsi 中 usbc0 接口的 DTS 配置。
#USB2.0 PHY配置属性"rockchip,typec-vbus-det",表示支持Type-C VBUS_DET常拉高的硬件设计
&u2phy0_otg {
rockchip,typec-vbus-det;
};
#USB3.1/DP PHY,需要根据硬件设计,配置属性"sbu1-dc-gpios"和"sbu2-dc-gpios"
&usbdp_phy {
orientation-switch;
svid = <0xff01>;
sbu1-dc-gpios = <&gpio2 RK_PA6 GPIO_ACTIVE_HIGH>;
sbu2-dc-gpios = <&gpio2 RK_PA7 GPIO_ACTIVE_HIGH>;
port {
#address-cells = <1>;
#size-cells = <0>;
usbdp_phy_orientation_switch: endpoint@0 {
reg = <0>;
remote-endpoint = <&usbc0_orien_sw>;
};
usbdp_phy_dp_altmode_mux: endpoint@1 {
reg = <1>;
remote-endpoint = <&dp_altmode_mux>;
};
};
};
#USB3.1 OTG0 Controller
&usb_drd0_dwc3 {
dr_mode = "otg";
usb-role-switch;
port {
usb_drd0_role_switch: endpoint {
remote-endpoint = <&usbc0_role_sw>;
};
};
};
#VBUS GPIO配置,在Type-C控制器芯片驱动中控制该GPIO
vbus5v0_typec: vbus5v0-typec {
compatible = "regulator-fixed";
regulator-name = "vbus5v0_typec";
regulator-min-microvolt = <5000000>;
regulator-max-microvolt = <5000000>;
enable-active-high;
gpio = <&gpio0 RK_PD1 GPIO_ACTIVE_HIGH>;
vin-supply = <&vcc5v0_device>;
pinctrl-names = "default";
pinctrl-0 = <&usb_otg0_pwren>;
};
#配置外置Type-C控制器芯片HUSB311
#需要根据实际的硬件设计,配置"I2C/interrupts/vbus-supply/usb_con"的属性
&i2c2 {
status = "okay";
usbc0: husb311@4e {
compatible = "hynetek,husb311"; // 注意本 Note 1
reg = <0x4e>;
interrupt-parent = <&gpio0>;
interrupts = <RK_PA5 IRQ_TYPE_LEVEL_LOW>;
pinctrl-names = "default";
pinctrl-0 = <&usbc0_int>;
vbus-supply = <&vbus5v0_typec>;
status = "okay";
port {
usbc0_role_sw: endpoint {
remote-endpoint = <&usb_drd0_role_switch>;
};
};
usb_con: connector {
compatible = "usb-c-connector";
label = "USB-C";
data-role = "dual";
power-role = "dual";
try-power-role = "sink";
op-sink-microwatt = <1000000>;
// 须根据实际的硬件设计进行配置充电/供电能力
sink-pdos =
<PDO_FIXED(5000, 1000, PDO_FIXED_USB_COMM)>;
source-pdos =
<PDO_FIXED(5000, 3000, PDO_FIXED_USB_COMM)>;
altmodes {
#address-cells = <1>;
#size-cells = <0>;
altmode@0 {
reg = <0>;
svid = <0xff01>;
vdo = <0xffffffff>;
};
};
ports {
#address-cells = <1>;
#size-cells = <0>;
port@0 {
reg = <0>;
usbc0_orien_sw: endpoint {
remote-endpoint =
<&usbdp_phy_orientation_switch>;
};
};
port@1 {
reg = <1>;
dp_altmode_mux: endpoint {
remote-endpoint =
<&usbdp_phy_dp_altmode_mux>;
};
};
};
};
};
Note:使用 FUSB302/AW35615/AW35615 芯片替代 HUSB311 芯片的软件修改
- DTS 修改:只需要基于 HUSB311 的 DTS 配置进行简单修改即可,参考修改如下:
#配置外置Type-C控制器芯片HUSB311
&i2c2 {
usbc0: fusb302@22 {
compatible = "fcs,fusb302";
reg = <0x22>;
...... // 其它同HUSB311
};
}; - 驱动软件修改:修改 FUSB302 驱动的 irq wakeup 机制,以支持待机 VBUS 断电或者供电等各种应用场景。
diff --git a/drivers/usb/typec/tcpm/fusb302.c b/drivers/usb/typec/tcpm/fusb302.c
index 77a050cd2e88..72bef94887b4 100644
--- a/drivers/usb/typec/tcpm/fusb302.c
+++ b/drivers/usb/typec/tcpm/fusb302.c
@@ -105,6 +105,7 @@ struct fusb302_chip {
bool vbus_on;
bool charge_on;
bool vbus_present;
+ bool wakeup;
enum typec_cc_polarity cc_polarity;
enum typec_cc_status cc1;
enum typec_cc_status cc2;
@@ -1769,7 +1770,8 @@ static int fusb302_probe(struct i2c_client *client,
dev_err(dev, "cannot request IRQ for GPIO Int_N, ret=%d", ret);
goto tcpm_unregister_port;
}
- enable_irq_wake(chip->gpio_int_n_irq);
+ chip->wakeup = device_property_read_bool(dev, "wakeup-source");
+ device_init_wakeup(dev, true);
i2c_set_clientdata(client, chip);
return ret;
@@ -1788,7 +1790,7 @@ static void fusb302_remove(struct i2c_client *client)
{
struct fusb302_chip *chip = i2c_get_clientdata(client);
- disable_irq_wake(chip->gpio_int_n_irq);
+ device_init_wakeup(chip->dev, false);
free_irq(chip->gpio_int_n_irq, chip);
kthread_destroy_worker(chip->irq_worker);
cancel_delayed_work_sync(&chip->bc_lvl_handler);
@@ -1809,6 +1811,11 @@ static int fusb302_pm_suspend(struct device *dev)
/* Make sure any pending irq_work is finished before the bus suspends */
kthread_flush_worker(chip->irq_worker);
+
+ if (device_may_wakeup(dev) && (!chip->vbus_on || chip->wakeup))
+ enable_irq_wake(chip->gpio_int_n_irq);
+ else
+ disable_irq(chip->gpio_int_n_irq);
return 0;
}
@@ -1819,6 +1826,11 @@ static int fusb302_pm_resume(struct device *dev)
u8 pwr;
int ret = 0;
+ if (device_may_wakeup(dev) && (!chip->vbus_on || chip->wakeup))
+ disable_irq_wake(chip->gpio_int_n_irq);
+ else
+ enable_irq(chip->gpio_int_n_irq);
+
/*
* When the power of fusb302 is lost or i2c read failed in PM S/R
* process, we must reset the tcpm port first to ensure the devices
4.3 Type-C to Type-A USB 3.1/DP DTS 配置
参考 arch/arm64/boot/dts/rockchip/RK3576-evb2.dtsi Type-C to Type-A USB 3.1/DP 的 DTS 配置。
#USB2.0 PHY配置"phy-supply"属性,用于控制VBUS输出5V
&u2phy0_otg {
phy-supply = <&vcc5v0_otg>;
};
#VBUS GPIO配置,在USB2.0 PHY驱动中控制该GPIO
vcc5v0_otg: vcc5v0-otg {
compatible = "regulator-fixed";
regulator-name = "vcc5v0_otg";
regulator-min-microvolt = <5000000>;
regulator-max-microvolt = <5000000>;
enable-active-high;
gpio = <&gpio0 RK_PD1 GPIO_ACTIVE_HIGH>;
vin-supply = <&vcc5v0_device>;
pinctrl-names = "default";
pinctrl-0 = <&usb_otg0_pwren>;
};
#USB3.1/DP PHY0,只需配置DP使用lane2/3,驱动会自动分配lane0/1给USB3.1 Rx/Tx
#如果硬件设计DP使用lane0/1,则此处应配置"rockchip,dp-lane-mux = <0 1>"
#注意:实际电路中,即使未支持DP,也需要配置"rockchip,dp-lane-mux",否则USBDP PHY驱动无法自
动分配lane给USB3.1
&usbdp_phy {
rockchip,dp-lane-mux = <2 3>;
};
#USB3.1 OTG0 Controller
#配置"dr_mode"为"otg",同时配置"extcon"属性,才能支持软件切换Device/Host mode
&usb_drd0_dwc3 {
dr_mode = "otg";
extcon = <&u2phy0>;
status = "okay";
};
4.4 Type-C to Type-A/Micro USB 2.0/DP DTS 配置
参考 arch/arm64/boot/dts/rockchip/RK3576-test2.dtsi Type-C to Type-A USB 2.0/DP 的 DTS 配置。
#USB2.0 PHY0配置
#配置属性"phy-supply",用于控制VBUS输出5V
#配置属性"rockchip,sel-pipe-phystatus",表示选择GRF控制pipe phystatus,替代USBDP PHY的
控制
#配置属性"rockchip,dis-u2-susphy",otg mode为可选项,表示关闭USB2 PHY驱动动态进入suspend
mode的功能
&u2phy0_otg {
vbus-supply = <&vcc5v0_otg>;
rockchip,sel-pipe-phystatus;
rockchip,dis-u2-susphy;
status = "okay";
};
#VBUS GPIO配置,在USB2.0 PHY驱动中控制该GPIO
vcc5v0_otg: vcc5v0-otg {
...
};
#需要根据实际的硬件设计,配置属性"rockchip,dp-lane-mux"
#配置属性maximum-speed = "high-speed",通知USBDP PHY驱动将USB限制为USB2.0 only
&usbdp_phy {
maximum-speed = "high-speed";
rockchip,dp-lane-mux = < 0 1 2 3 >;
status = "okay";
};
&usbdp_phy_dp {
status = "okay";
};
&usbdp_phy_u3 {
status = "okay";
};
#配置属性"maximum-speed",通知DWC3驱动将USB限制为USB2.0 only
#配置属性"snps,dis_u2_susphy_quirk",关闭控制器硬件suspend usb2 phy的功能,提高USB通信的
稳定性
#配置属性"snps,usb2-lpm-disable",关闭控制器Host mode的LPM功能,提高USB外设的兼容性
&usb_drd0_dwc3 {
phys = <&u2phy0_otg>;
phy-names = "usb2-phy";
extcon = <&u2phy0>;
maximum-speed = "high-speed";
snps,dis_u2_susphy_quirk;
snps,usb2-lpm-disable;
status = "okay";
};
4.5 Type-C USB 2.0 only DTS 配置
配置 1. 硬件电路集成外置 Type-C 控制器芯⽚,⽀持 PD
#USB2.0 PHY0注册typec orientation switch,用于与TCPM子系统交互,获取USB热拔插的信息
&u2phy0 {
orientation-switch;
status = "okay";
port {
u2phy0_orientation_switch: endpoint {
remote-endpoint = <&usbc0_orien_sw>;
};
};
};
#USB2.0 PHY0 OTG配置
#配置属性"rockchip,sel-pipe-phystatus",表示选择GRF控制pipe phystatus,替代USBDP PHY的
控制
#配置属性"rockchip,typec-vbus-det",表示支持Type-C VBUS_DET常拉高的硬件设计
#配置属性"rockchip,dis-u2-susphy",可选项,表示关闭USB2 PHY驱动动态进入suspend mode的功能
&u2phy0_otg {
rockchip,sel-pipe-phystatus;
rockchip,typec-vbus-det;
rockchip,dis-u2-susphy;
status = "okay";
};
#disable USBDP PHY0的所有相关节点,让USBDP PHY0处于未初始化状态,达到最低功耗的目的
&usbdp_phy {
status = "disabled";
};
&usbdp_phy_dp {
status = "disabled";
};
&usbdp_phy_u3 {
status = "disabled";
};
&dp {
status = "disabled";
};
#配置USB3.1 OTG0 Controller
#配置"phys = <&u2phy0_otg>",即不引用USBDP PHY
#配置maximum-speed = "high-speed",通知DWC3驱动将USB限制为USB2.0 only
#配置属性"snps,dis_u2_susphy_quirk",关闭控制器硬件suspend usb2 phy的功能,提高USB通信的
稳定性
#配置属性"snps,usb2-lpm-disable",关闭控制器Host mode的LPM功能,提高USB外设的兼容性
&usb_drd0_dwc3 {
dr_mode = "otg";
status = "okay";
maximum-speed = "high-speed";
phys = <&u2phy0_otg>;
phy-names = "usb2-phy";
usb-role-switch;
snps,dis_u2_susphy_quirk;
snps,usb2-lpm-disable;
port {
usb_drd0_role_switch: endpoint {
remote-endpoint = <&usbc0_role_sw>;
};
};
};
#配置外置Type-C控制器芯片HUSB311
#需要根据实际的硬件设计,配置"I2C/interrupts/vbus-supply/usb_con"的属性
#需要配置usbc0_orien_sw的属性remote-endpoint = <&u2phy0_orientation_switch>
&i2c2 {
status = "okay";
usbc0: husb311@4e {
compatible = "hynetek,husb311";
reg = <0x4e>;
interrupt-parent = <&gpio0>;
interrupts = <RK_PC4 IRQ_TYPE_LEVEL_LOW>;
pinctrl-names = "default";
pinctrl-0 = <&usbc0_int>;
vbus-supply = <&vbus5v0_typec>;
status = "okay";
port {
usbc0_role_sw: endpoint {
remote-endpoint = <&usb_drd0_role_switch>;
};
};
usb_con: connector {
compatible = "usb-c-connector";
label = "USB-C";
data-role = "dual";
power-role = "dual";
......
port {
usbc0_orien_sw: endpoint {
remote-endpoint =
<&u2phy0_orientation_switch>;
};
};
};
};
配置 2. 硬件电路不带外置 Type-C 控制器芯⽚,⽀持 Device only Type-C USB 2.0 Device 的 DTS 配置
#USB2.0 PHY0 OTG配置
#配置属性"rockchip,sel-pipe-phystatus",表示选择GRF控制pipe phystatus,替代USBDP PHY的
控制
#配置属性"rockchip,dis-u2-susphy",必选项,表示关闭USB2 PHY驱动动态进入suspend mode的功能
&u2phy0_otg {
rockchip,sel-pipe-phystatus;
rockchip,dis-u2-susphy;
status = "okay";
};
#disable USBDP PHY的所有相关节点,让USBDP PHY0处于未初始化状态,达到最低功耗的目的
&usbdp_phy {
status = "disabled";
};
&usbdp_phy_dp {
status = "disabled";
};
&usbdp_phy_u3 {
status = "disabled";
}
#配置USB3.1 OTG0 Controller
#配置dr_mode = "peripheral",通知DWC3驱动初始化为Device only mode
#配置"phys = <&u2phy0_otg>",即不引用USBDP PHY
#配置maximum-speed = "high-speed",通知DWC3驱动将USB限制为USB2.0 only
#配置属性"snps,dis_u2_susphy_quirk",关闭控制器硬件suspend usb2 phy的功能,提高USB通信的
稳定性
&usb_drd0_dwc3 {
dr_mode = "peripheral";
phys = <&u2phy0_otg>;
phy-names = "usb2-phy";
maximum-speed = "high-speed";
snps,dis_u2_susphy_quirk;
status = "okay";
};
配置 3. 硬件电路不带外置 Type-C 控制器芯⽚,⽀持 OTG(需要增加 CC to ID 电平转换电路)
#USB2.0 PHY0 OTG配置
#配置属性"rockchip,sel-pipe-phystatus",表示选择GRF控制pipe phystatus,替代USBDP PHY的
控制
#配置属性"rockchip,dis-u2-susphy",otg mode为可选项,表示关闭USB2 PHY驱动动态进入suspend
mode的功能
&u2phy0_otg {
rockchip,sel-pipe-phystatus;
rockchip,dis-u2-susphy;
status = "okay";
};
#disable USBDP PHY的所有相关节点,让USBDP PHY0处于未初始化状态,达到最低功耗的目的
&usbdp_phy {
status = "disabled";
};
&usbdp_phy_dp {
status = "disabled";
};
&usbdp_phy_u3 {
status = "disabled";
}
#配置USB3.1 OTG0 Controller
#配置dr_mode = "otg"
#配置"phys = <&u2phy0_otg>",即不引用USBDP PHY
#配置maximum-speed = "high-speed",通知DWC3驱动将USB限制为USB2.0 only
#配置"extcon"属性,才能支持自动切换Device/Host mode
#配置属性"snps,dis_u2_susphy_quirk",关闭控制器硬件suspend usb2 phy的功能,提高USB通信的
稳定性
#配置属性"snps,usb2-lpm-disable",关闭控制器Host mode的LPM功能,提高USB外设的兼容性
&usb_drd0_dwc3 {
dr_mode = "otg";
phys = <&u2phy0_otg>;
phy-names = "usb2-phy";
maximum-speed = "high-speed";
extcon = <&u2phy0>;
snps,dis_u2_susphy_quirk;
snps,usb2-lpm-disable;
status = "okay";
};
4.6 Type-A USB 3.1 DTS 配置
参考 arch/arm64/boot/dts/rockchip/rk3576-evb1.dtsi USB3 OTG1 的 DTS 配置。
#USB2.0 PHY1配置"phy-supply"属性,用于控制VBUS输出5V
&u2phy1_otg {
phy-supply = <&vcc5v0_host>;
}
#VBUS GPIO配置,在USB2.0 PHY驱动中控制该GPIO
vcc5v0_host: vcc5v0-host {
compatible = "regulator-fixed";
regulator-name = "vcc5v0_host";
regulator-boot-on;
regulator-always-on;
regulator-min-microvolt = <5000000>;
regulator-max-microvolt = <5000000>;
enable-active-high;
gpio = <&gpio0 RK_PC7 GPIO_ACTIVE_HIGH>;
vin-supply = <&vcc5v0_device>;
pinctrl-names = "default";
pinctrl-0 = <&vcc5v0_host_en>;
};
#使能USB3.1/SATA/PCIe Combo PHY
&combphy1_psu {
status = "okay";
};
#配置USB3.1 OTG1 Controller
&usb_drd1_dwc3 {
dr_mode = "host";
status = "okay";
};
4.7 USB PHY 不供电的 DTS 配置
USBDP PHY (OTG0 USB3.1 和 DP 复⽤)和 ComboPHY1(OTG1 USB3.1 和 PCIe1/SATA1复⽤)的外部电源可以允许不供电,以降低系统运⾏功耗和简化硬件电路设计,但需要软件修改对应的 DTS 配置,避免系统启动异常或者 USB 功能异常。
4.7.1 USBDP PHY 不供电的 DTS 配置
&usbdp_phy {
rockchip,usbdpphy-clamp; /* 避免断电影响到总线访问和Logic漏电到USBDP PHY */
maximum-speed = "high-speed"; /* 限制 u2 only,避免初始化 USBDP PHY */
status = "okay";
};
&usbdp_phy_dp {
status = "disabled";
};
&usbdp_phy_u3 {
status = "disabled";
};
内核生效 log:
rockchip-usbdp-phy 2b010000.phy: Failed to enable usbdpphy because clamp is set
rockchip-usbdp-phy: probe of 2b010000.phy failed with error -95
此外,烧写工具必须关闭 USB3 下载功能,否则会出现 Maskrom 下载固件失败的问题,修改方法如下:
- Windows 工具的 config.ini 修改:
USB3_TRANSFER=FALSE - Linux 工具的 config.ini 修改:
usb3_transfer_on=false
4.7.2 ComboPHY1 不供电的 DTS 配置
ComboPHY1 用于 OTG1 的 USB 3.1,但同时也会影响到 OTG1 的 USB2 访问 SoC 总线,因此,需要根据 OTG1 USB2.0 是否使用,进行 DTS 配置。
- OTG1 USB 3.1 不使用,但 USB 2.0 功能需要使用
&combphy1_psu {
rockchip,dis-u3otg1-port;
status = "okay";
};
&usb_drd1_dwc3 {
dr_mode = "host";
phys = <&u2phy1_otg>, <&combphy1_psu PHY_TYPE_USB3>; /* 这里必须要引用
combphy1_psu */
phy-names = "usb2-phy", "usb3-phy";
maximum-speed = "high-speed";
snps,dis_u2_susphy_quirk;
snps,usb2-lpm-disable;
status = "okay";
};
- OTG1 USB 2.0 和 USB 3.1 均不使用
&combphy1_psu {
status = "disabled";
};
&usb_drd1_dwc3 {
status = "disabled";
};
4.8 Linux USB DT 配置的注意点
4.8.1 USB DT 重要属性说明
4.8.1.1 USB 控制器属性
"usb-role-switch"仅用于标准 Type-C 接口(带有 PD 控制器芯片),同时须配置dr_mode = "otg"属性;如果dr_mode为非 “otg” 模式,请勿配置"usb-role-switch"。"extcon"属性主要功能之一是动态切换 OTG mode,适用于非标准 Type-C 接口(带有 PD 控制器芯片)的硬件电路设计,如:USB Micro 接口或者 Type-A 接口,同时控制器配置为 “otg” 模式的方案中,实现 OTG 模式动态切换。"snps,dis_u2_susphy_quirk",关闭 USB 控制器硬件自动 suspend usb2 phy 的功能,主要用于 USB 2.0 only 的方案,以提高 USB 通信的稳定性。"snps,usb2-lpm-disable",关闭 USB 控制器 Host mode 的 LPM 功能,主要用于 USB 2.0 only 的方案,以提高 USB 外设的兼容性。
4.8.1.2 USB2 PHY 属性
"vbus-supply"和"phy-supply",都是用于控制 VBUS 输出 5V,但两者又有使用区别。"vbus supply"用于 OTG 口,支持动态开关 VBUS。"phy-supply"用于 USB HOST 口,系统上电后,VBUS 5V 常开。"rockchip,sel-pipe-phystatus",该属性用于配置 GRF USB 控制寄存器,选择 GRF 控制 pipe phystatus,替代 USBDP PHY 的控制。主要用于 USB 2.0 only 的方案,如果 USBDP PHY 没 有使能,必须增加该属性,否则,USB device 无法正常工作。"rockchip,typec-vbus-det",用于支持 Type-C VBUS_DET 常拉高的硬件设计。"rockchip,dis-u2-susphy",关闭 USB2 PHY 驱动动态进入 suspend mode 的功能,主要用于 USB 2.0 only 的方案,保持 USB2 PHY 输出时钟给 USB 控制器。
4.8.1.3 USBDP Combo PHY 属性
"rockchip,dp-lane-mux",非全功能 Type-C 方案中,配置 DP 映射的 Lane number。DP 支持 2 条或 4 条 lane,如"rockchip,dp-lane-mux = <2, 3>;"表示 DP Lane0 mapping 至 USBDP PHY 的 Lane2,DP Lane1 mapping 至 USBDP PHY 的 Lane3;同理,"rockchip,dp-lane-mux = <0, 1, 2, 3>;"表示 DP Lane0 mapping 至 USBDP PHY 的 Lane0 等等,依次类推。- 注意:实际电路中,如果仅支持 USB3.1 但未支持 DP,也需要配置
"rockchip,dp-lane-mux",否则 USBDP PHY 驱动无法自动分配 lane 给 USB3.1。
- 注意:实际电路中,如果仅支持 USB3.1 但未支持 DP,也需要配置
maximum-speed = "high-speed";属性是在 USBDP PHY 驱动中将 USB 限制为 USB2.0 only,注意该属性是在父节点usbdp_phy中配置。
4.8.1.4 USBC 属性
- usbc 节点通常作为 i2c 的子节点,除 compatible, reg 等基本属性外,又包括 port 和 connector 两个子节点。其中 port 用于配置与 USB 控制器交互的 role switch 属性;connector 除配置 PD 的基本属性外,还包括 altmodes 和 ports (用于配置 orientation switch 和 altmode mux ) 2个字节点。
- connector 节点中 sink-pdos 及 source-pdos 属性,用于 RK3576 分别作为 Sink 和 Source 时所支持的电压/电流挡位以及其它电源能力的配置。需要注意的是电压/电流挡位要与充电 IC 能力一致。sink-pdos 及 source-pdos 属性字段须遵循 PD Spec,关键字段须用如下文件中的宏定义:
include/dt-bindings/usb/pd.h
5.RK3576 USB OTG mode 切换命令
RK3576 SDK 支持通过软件方法,强制设置 USB OTG 切换到 Host 或者 Peripheral,而不受 USB 硬件电路的 OTG ID 电平或者 Type-C 接口的影响。RK3576 Linux-6.1 内核切换方式有如下两种:
- 方式 1:[Legacy]
#1.Force host mode
echo host > /sys/devices/platform/2602e000.syscon/2602e000.syscon:usb2-
phy@0/otg_mode
#2.Force peripheral mode
echo peripheral > /sys/devices/platform/2602e000.syscon/2602e000.syscon:usb2-
phy@0/otg_mode - 方式 2:[New]
#1.Force host mode
echo host > /sys/kernel/debug/usb/23000000.usb/mode
#2.Force peripheral mode
echo device > /sys/kernel/debug/usb/23000000.usb/mode
注意:方式 1 依赖于 USB DTS 的正确配置,只能用于非 Type-C 接口的硬件电路设计,方式 2 没有限制。因此,在不确定软硬件是否正确适配时,推荐使用方式 2。
6. Type-C 控制器芯片支持列表
| Type-C控制器芯片型号 | Linux 6.1 | 说明 |
|---|---|---|
| ANX7411 | 调试中 | 软件驱动已经支持,功能待进一步调试 |
| AW35615 | 支持 | 推荐优先使用,对 DisplayPort Alt Mode 兼容性好 |
| ET7301B | 支持 | 硬件兼容 FUSB302,软件驱动与 RT1711 高度相似 |
| ET7303 | 支持 | 硬件兼容 FUSB302,软件驱动与 RT1711 高度相似 |
| FUSB302 | 支持 | RK平台常用芯片 |
| HUSB311 | 支持 | RK3576 EVB 默认使用的芯片,硬件兼容 FUSB302,但软件驱动不兼容 |
| RT1711H | 支持 | 硬件兼容 FUSB302,软件驱动与 ET7303 高度相似 |
| WUSB3801 | 不支持 | 自定义的单线通信机制,误码率高,无法保证通信稳定 |
note1.
- Linux-6.1 采用 TCPM 软件框架和 TCPCI 协议,理论上可以兼容所有基于 TCPCI 标准设计的 TypeC 控制器芯片(如:ET7303/HUSB311/RT1711H); note2.
- 小封装的 ET7303 (据了解原厂目前没有提供大封装) 已经在 RK 平台验证通过。内核需要单独使能 CONFIG_TYPEC_ET7303。
- DTS 详细配置请参考章节 Type-C USB 3.1/DP 全功能 DTS 配置 中 usbc0 节点,只需要修改该节点名字、reg 地址和 compatible 属性即可。 note3.
- FUSB302 可直接替换为 HUSB311。内核需要单独使用 CONFIG_TYPEC_HUSB311,DTS 配置注意点同上述 note2。 note4.
- RT1711H 硬件兼容 FUSB302/ET7303,同时软件驱动与 ET7303 高度相似。内核需要单独使能 CONFIG_TYPEC_RT1711H,DTS 配置注意点同上述 note2。
7 参考文档
- 《Universal Serial Bus Type-C Cable and Connector Specification》
- 《Universal Serial Bus Power Delivery Specification》
- 《Rockchip_Developer_Guide_USB_CN》
- 《Rockchip RK3576 Technical Reference Manual》
- RK3576 EVB1/EVB2/TEST1/TEST2 硬件原理图

